EasyManua.ls Logo

Tuttnauer 3870 EHS - Piping Drawing for 3870 Ehs

Tuttnauer 3870 EHS
130 pages
Print Icon
To Next Page IconTo Next Page
To Next Page IconTo Next Page
To Previous Page IconTo Previous Page
To Previous Page IconTo Previous Page
Loading...
126
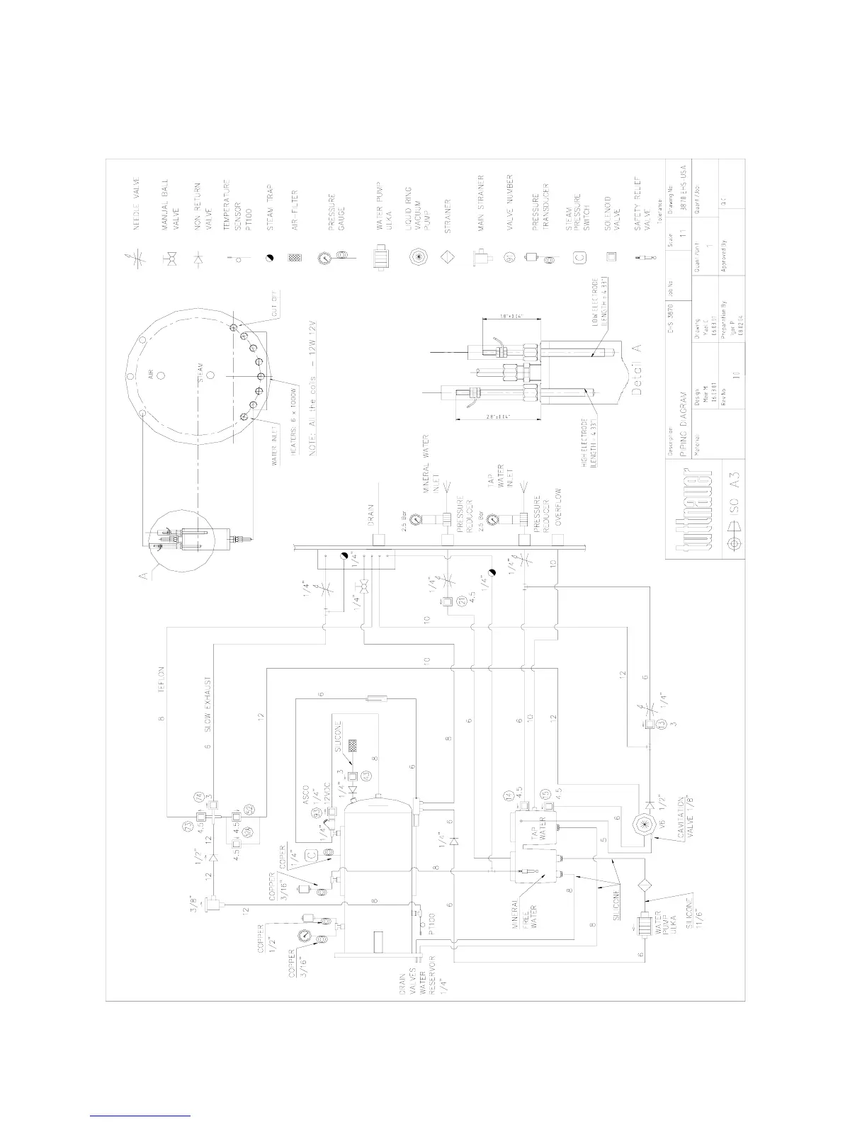
PIPING DRAWING FOR 3870 EHS

Table of Contents

Other manuals for Tuttnauer 3870 EHS

Related product manuals