EasyManua.ls Logo

TYM T233 HST - MID PTO Stopper

TYM T233 HST
232 pages
Print Icon
To Next Page IconTo Next Page
To Next Page IconTo Next Page
To Previous Page IconTo Previous Page
To Previous Page IconTo Previous Page
Loading...
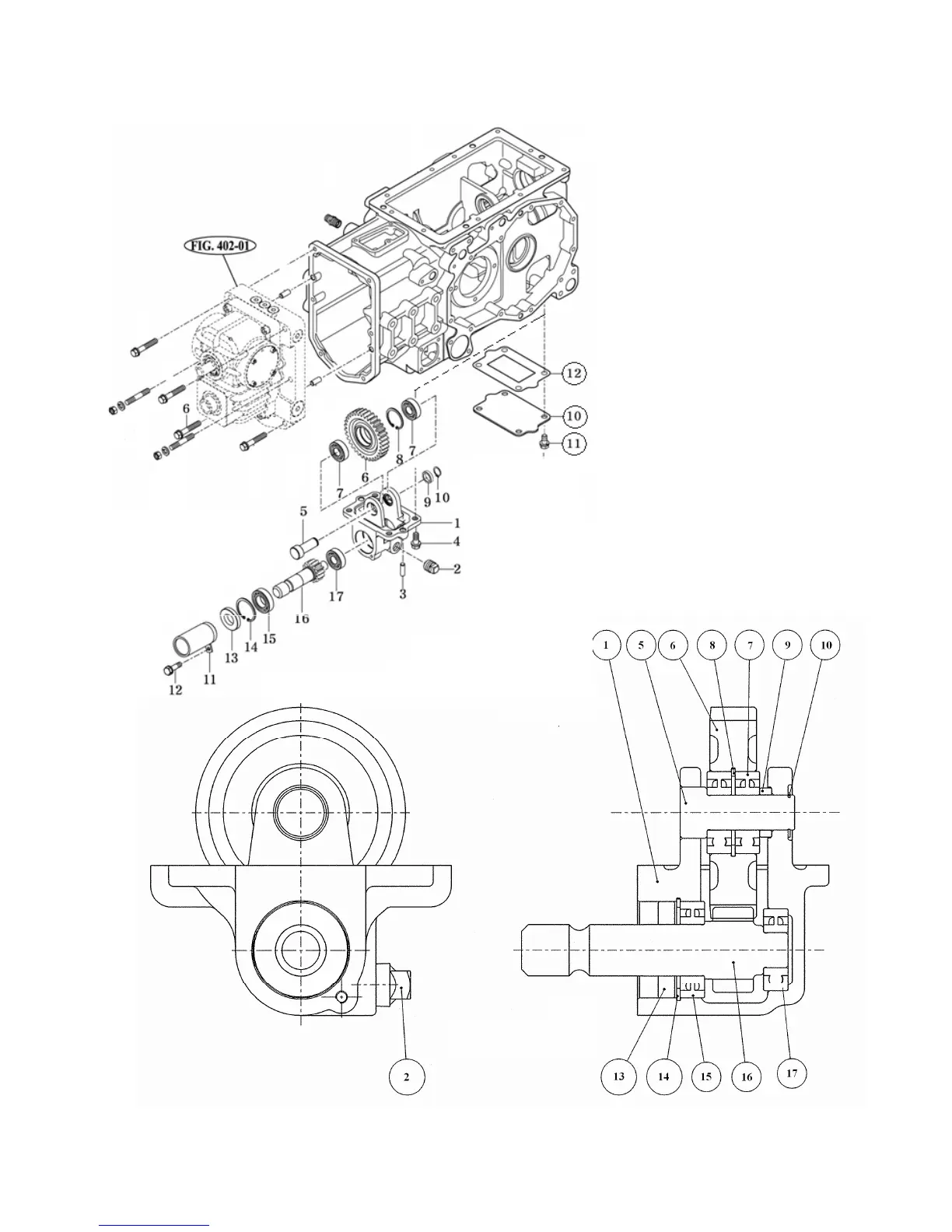
3) MID PTO STOPPER ASSEMBLY
1.CASE , MID PTO
2.PLUG , SQUARE
3.PIN , PARALLEL/A
4.BOLT , HEX/S
5.SHAFT , MID PTO COUNT
6.GEAR , SPUR 32T
7.BEARING , BALL
8.C-RING , HOLE
9.COLLAR , 17X24X6
10.C-RING , SHAFT
11.CAP COMP , MID PTO
SHAFT
12.BOLT , HEX /S
13.SEAL , OIL/D
14.C-RING , HOLE
15.BEARING , BALL
16.SHAFT , MID PTO
17.BEARING , BALL
Fig.5-19
5-13
Fig.5-20

Table of Contents

Related product manuals