EasyManua.ls Logo

UCHIDA AeroCut - Page 37

UCHIDA AeroCut
42 pages
Print Icon
To Next Page IconTo Next Page
To Next Page IconTo Next Page
To Previous Page IconTo Previous Page
To Previous Page IconTo Previous Page
Loading...
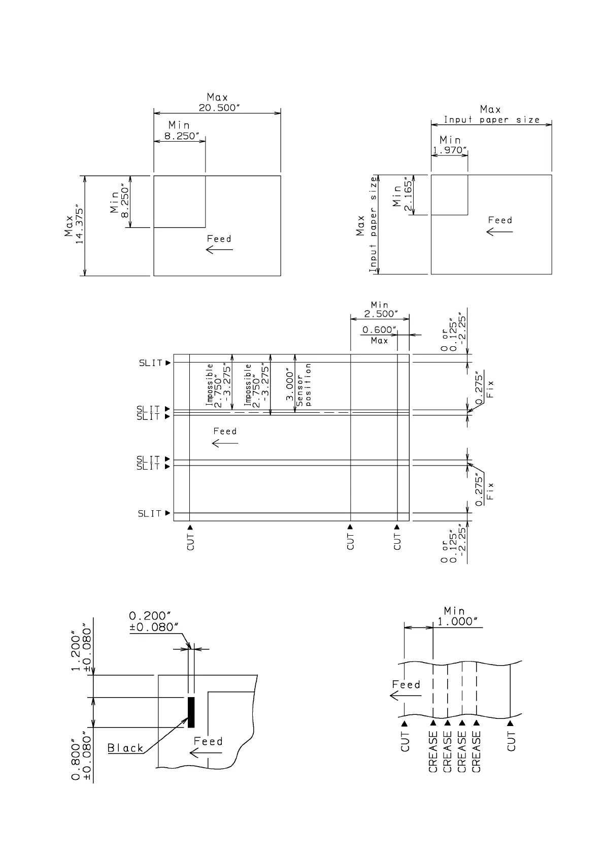
Paper size Finish size
36
Limitations
Cut mark size and position Crease limitationsMax. four times

Related product manuals