EasyManua.ls Logo

Upright MX15 - Page 83

Upright MX15
90 pages
Print Icon
To Next Page IconTo Next Page
To Next Page IconTo Next Page
To Previous Page IconTo Previous Page
To Previous Page IconTo Previous Page
Loading...
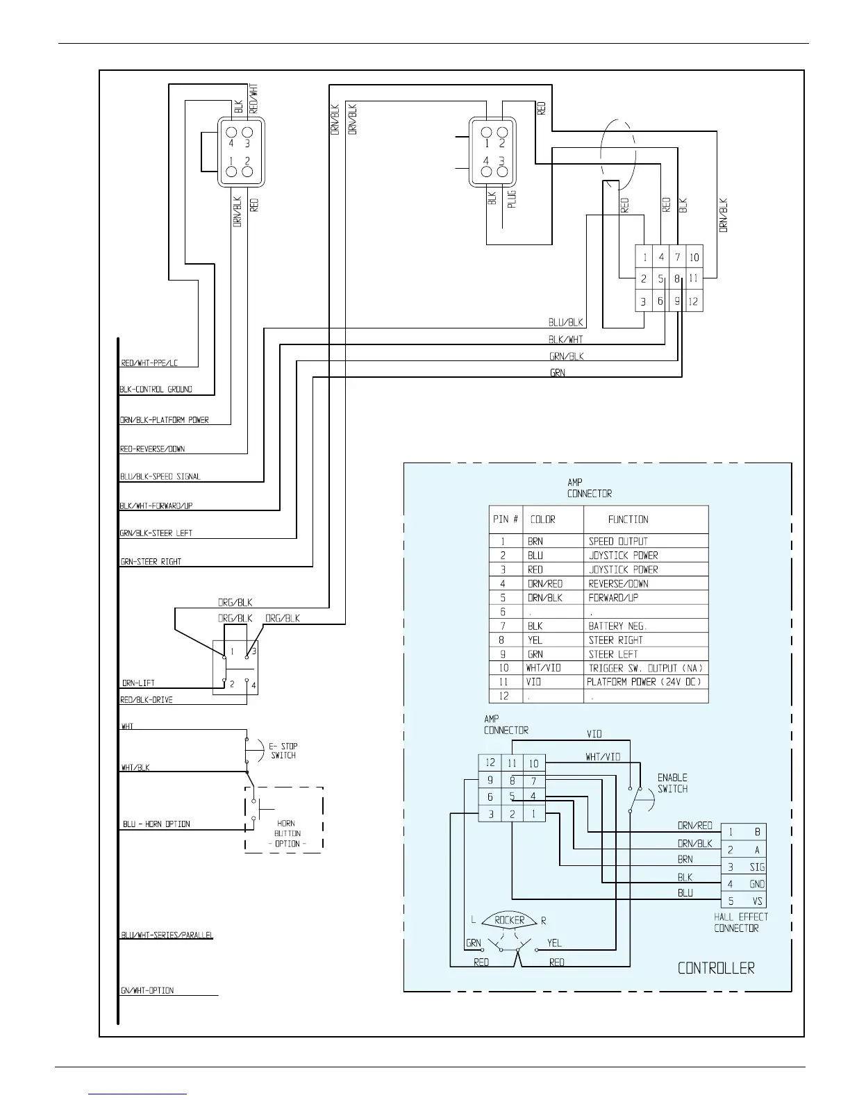
Section 4 - Schematics Electric
113101-000 MX15 / MX19 | Service Manual Page 4-7
Figure 4-6:
Upper Controls Wiring
S8
S7
S4
S10
S12

Other manuals for Upright MX15

Related product manuals