EasyManua.ls Logo

Upright MX19 - Page 87

Upright MX19
114 pages
Print Icon
To Next Page IconTo Next Page
To Next Page IconTo Next Page
To Previous Page IconTo Previous Page
To Previous Page IconTo Previous Page
Loading...
Page 6-15
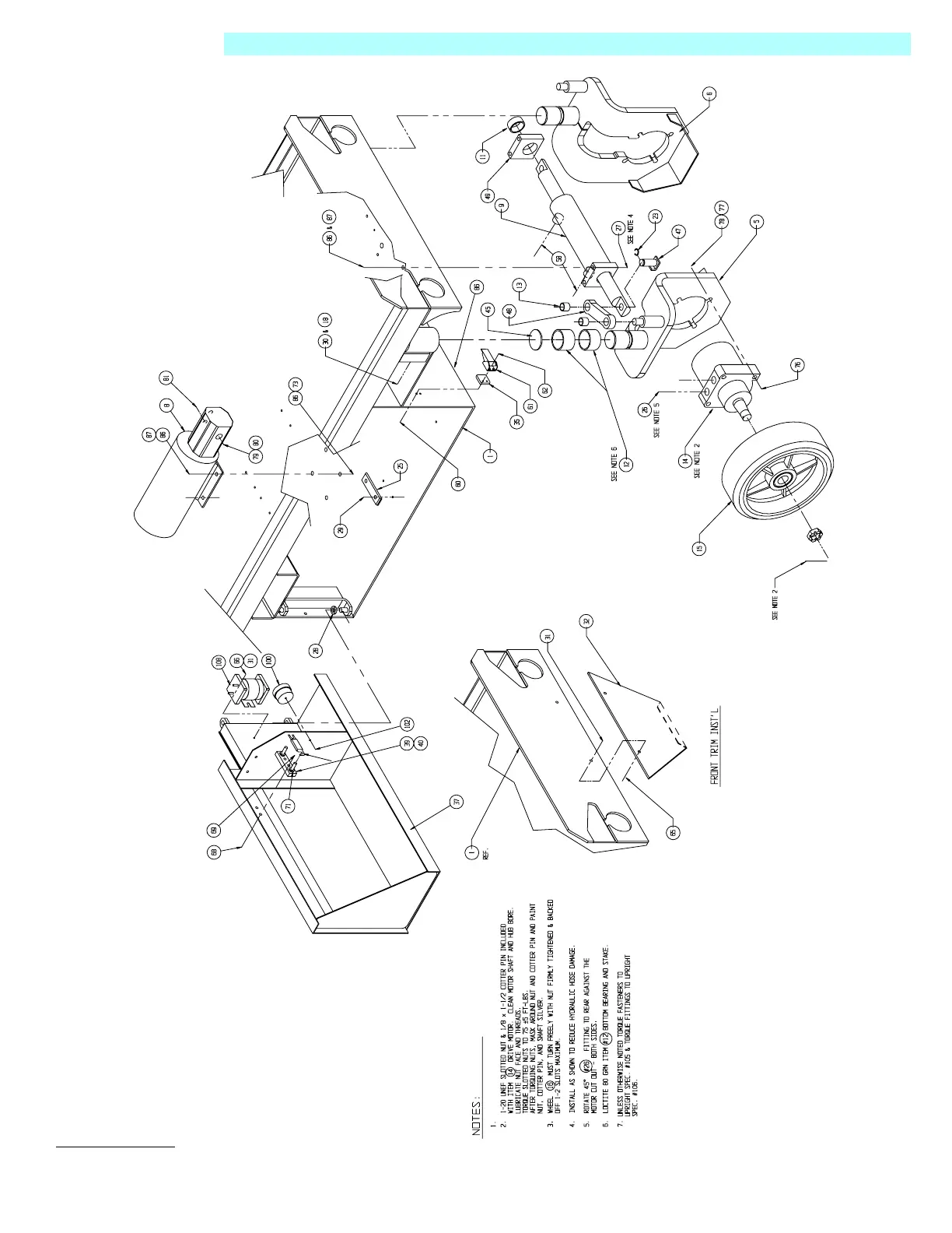
Illustrated Parts Breakdown -6.1-Introduction
MX15/19
Drawing #1of 3
060569-004

Table of Contents

Other manuals for Upright MX19

Related product manuals