EasyManua.ls Logo

Upright X33RT - Page 63

Upright X33RT
98 pages
Print Icon
To Next Page IconTo Next Page
To Next Page IconTo Next Page
To Previous Page IconTo Previous Page
To Previous Page IconTo Previous Page
Loading...
2.
1.
TANK
3200PSI
NOTE 1
PUMP
3.
4.
5.
6.
1.
7.
8.
9.
10
11.
12.
13.
14.
15.
16.
17.
18.
19.
20.
21.
22.
23
25.
24.
26.
27.
STABILISER
STEERING
DRIVE
STR
STP
5LPM
SR LCP
LCR
DR
BL
AXL
TPA
950PSI
AXLE CYLINDERS
PILOT
MRFD
DM
DP
DR
PILOT
MLFR
MRFR
MRRR
MLRR
MRFF
DP
HAND PUMP
P
T
1.5mm
RFR
12568 STABILISER MANIFOLD
12567 MAIN MANIFOLD
12569 4WD MANIFOLD
29.
28.
ENGINE
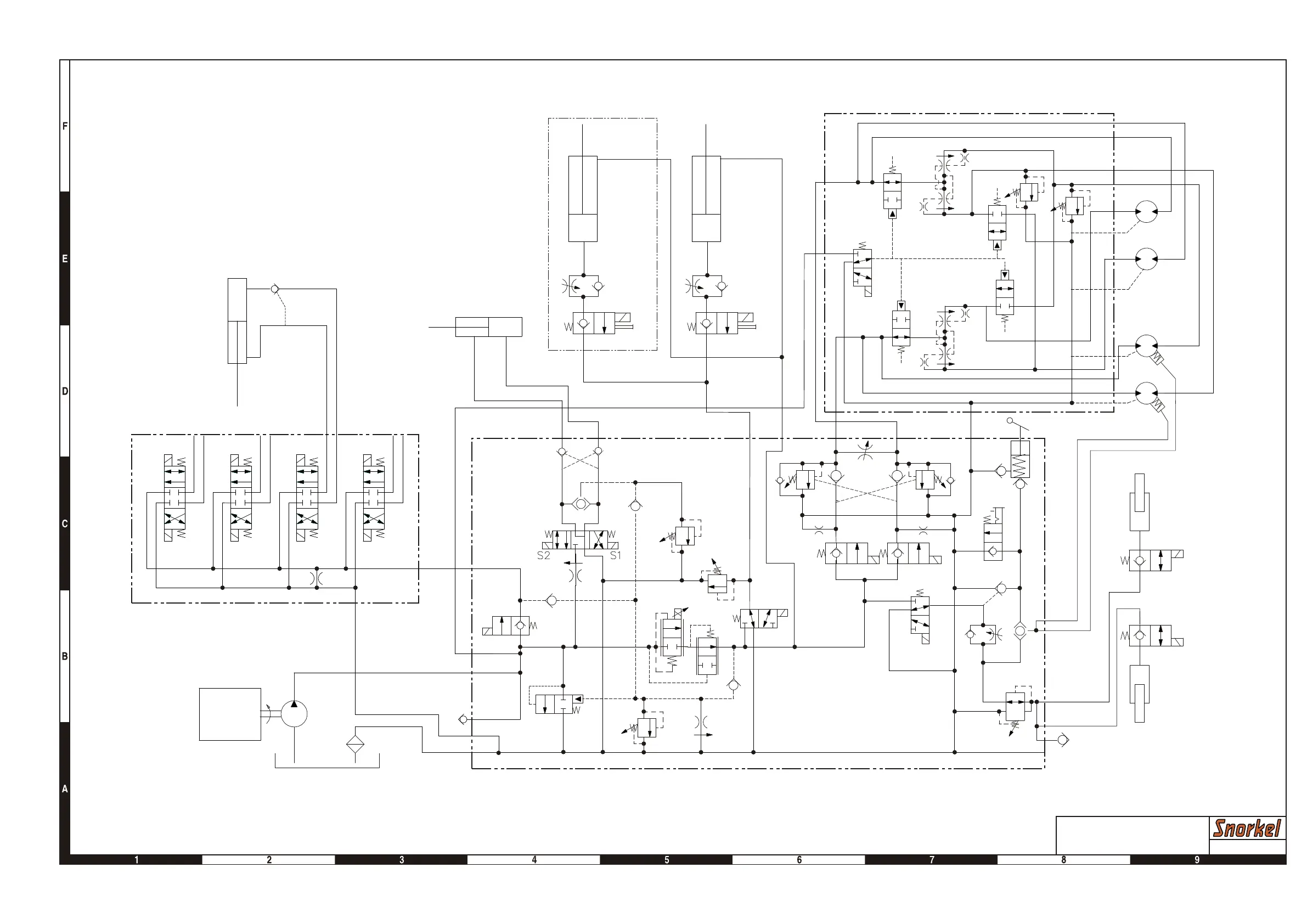
TITLE
Hydraulic schematic
Snorkel Models SR3370
& SR2770 - (Rev for PM4 ->)
LIFT
CYLINDER
LIFT
CYLINDER 2
SECOND LIFT
CYLINDER
SR3370 ONLY
1.1. 1.
1.
2.
3.
3.
2.
5.
5.
4.
4.
RFE LFR LFE LRR LRE RRR RRE
TP
SL
0.4LPM
2000PSI
2500PSI
DF
2500PSI
2000PSI
2000PSI
MLFF
MLFD
MLRF
MLRD
MRRF
MRRD
BR
NOTE 1. SR3370 = 2200PSI
SR2770 = 2800PSI
AXR
4 wheel drive hydraulic schematic drawing
Page 2-3

Table of Contents

Other manuals for Upright X33RT

Related product manuals