EasyManua.ls Logo

V2 CITY2+ - Page 17

V2 CITY2+
27 pages
Print Icon
To Next Page IconTo Next Page
To Next Page IconTo Next Page
To Previous Page IconTo Previous Page
To Previous Page IconTo Previous Page
Loading...
ENGLISH
43
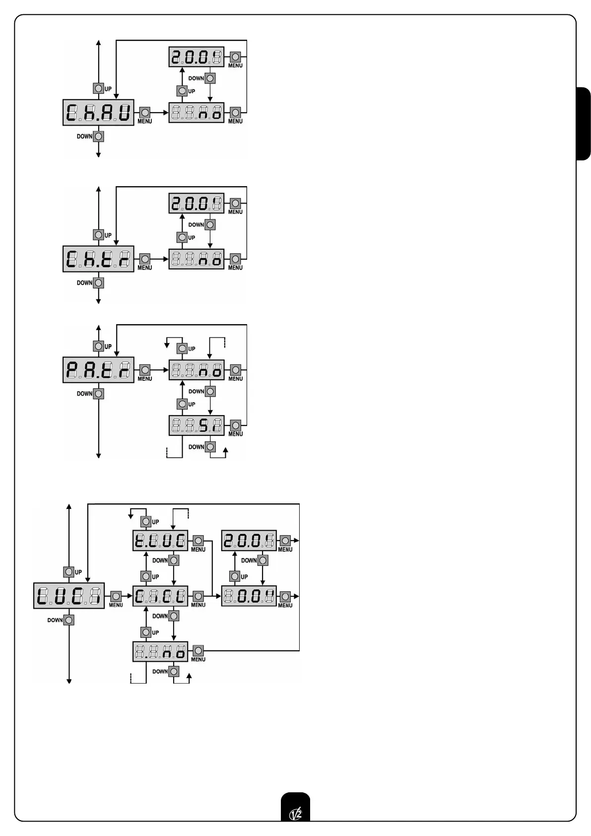
Automatic closing
During the automatic operation, the control unit will automatically close
the gate when a set-up time expires.
The Start command, if enabled by St.PA menu, allows closing the gate
before the set up time expires.
In semi-automatic operation, that is to say, if the automatic closing
function is disabled by setting the value to zero ('no' will be displayed),
the gate can be closed through the start command only: in this case,
St.PA menu setup will be ignored.
If the control unit receives a Stop command when the gate is in pause,
it will automatically pass to the semi-automatic operation.
Closing after transit
During the automatic operation, the pause count down starts from the
set up value each time a photocell operates during the pause.
If the photocell operates during the opening time, this time will be
immediately stored as pause time.
This function allows having a fast closing as soon as transit through the
gate is completed, therefore, a time shorter than Ch.AU is
generally used.
Ch.AU will be used when nois set up.
As for semi-automatic operation, this function is not active.
Pause after transit
In order to let the gate open for the shortest possible time, it is possible
to stop the gate once the passage before the photocells is detected. If
the automatic working is enabled, the time of the pause is Ch.tr.
If the photocells are type 1 and type 2, the gate enters the phase of
pause only after the detections before both the photocells.
Courtesy lights
This menu allows setting the automatic operating of the courtesy
lights during the opening cycle of the gate.
NOTE: If the output is used to drive a flashing light (with internal
flasher) select CiCL.
t.LUC the relay is enabled at the receiving of a control of start
or pedestrian start; choosing this option, a submenu is
entered – it allows to set the length of the activation of
the relay from 0.0” to 20’0 (default 1’00). At the time
limit, the relay is disabled.
no the relay of the courtesy lights is not automatically
activated
CiCL the relay is activated during the motion of the gate;
when the gate stops (closed or open) the relay is on all
the time t.LUC long (set in the submenu t.LUC)
If the option LP.PA is activated, the relay is on also
during the pause time

Other manuals for V2 CITY2+

Related product manuals