EasyManua.ls Logo

V2 JEDI-1000

V2 JEDI-1000
88 pages
Go to English
To Next Page IconTo Next Page
To Next Page IconTo Next Page
To Previous Page IconTo Previous Page
To Previous Page IconTo Previous Page
Loading...
ENGLISH
19
E
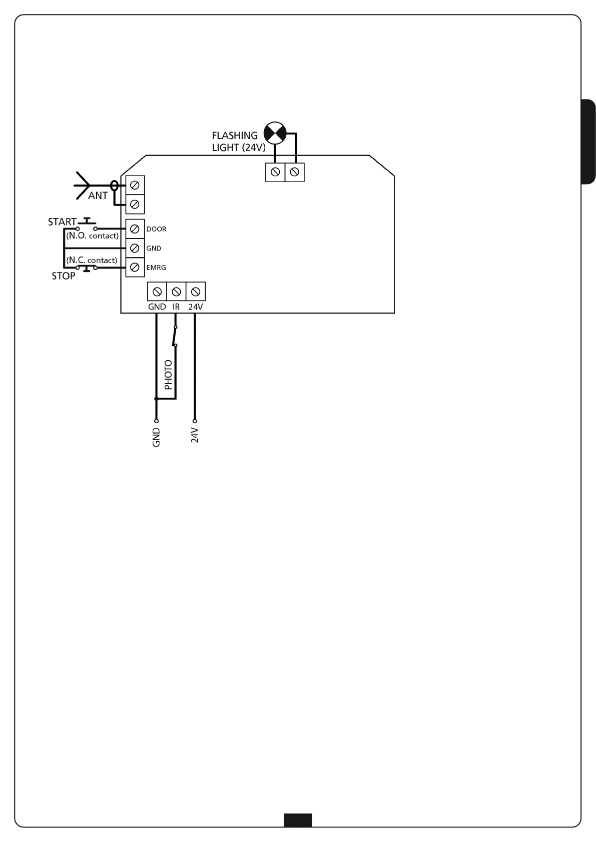
LECTRICAL CONNECTIONS
The control panel inside JEDI is already cabled.
Y
ou just need to plug it in the electrical outlet to proceed with operational parameter programming.
To connect the photocells and the START button, please refer to the following diagram:

Related product manuals