EasyManua.ls Logo

V2 JEDI-1000

V2 JEDI-1000
88 pages
Go to English
To Next Page IconTo Next Page
To Next Page IconTo Next Page
To Previous Page IconTo Previous Page
To Previous Page IconTo Previous Page
Loading...
FRANÇAIS
31
R
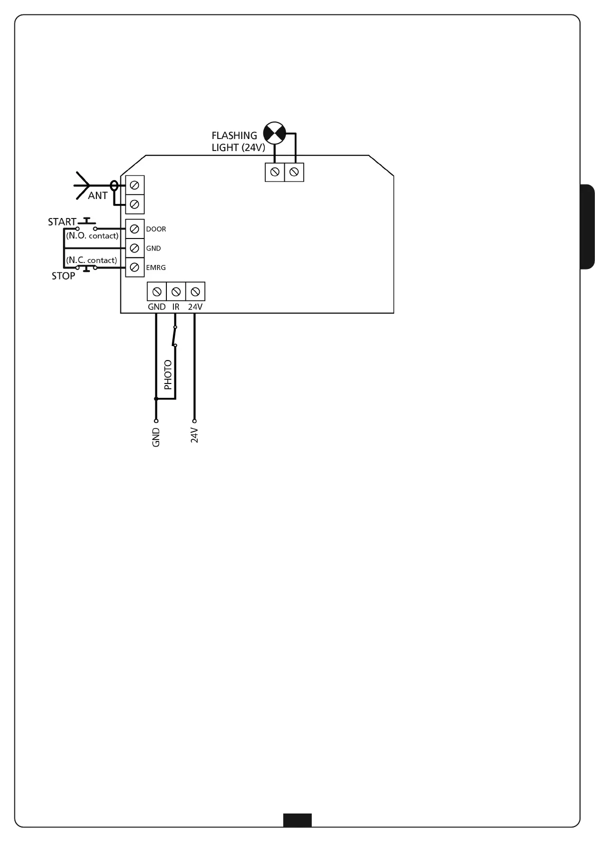
ACCORDEMENTS ÉLECTRIQUES
L'armoire de commande à l'intérieur de JEDI est déjà câblée.
Il suffit d'insérer la cheville dans la prise de courant pour procéder avec la programmation des paramètres de fonctionnement.
Pour le branchement des photocellules et du bouton de START veuillez vous référer au schéma ci-dessous :

Related product manuals