EasyManua.ls Logo

V2 JEDI-1000

V2 JEDI-1000
88 pages
Go to English
To Next Page IconTo Next Page
To Next Page IconTo Next Page
To Previous Page IconTo Previous Page
To Previous Page IconTo Previous Page
Loading...
NEDERLANDS
79
E
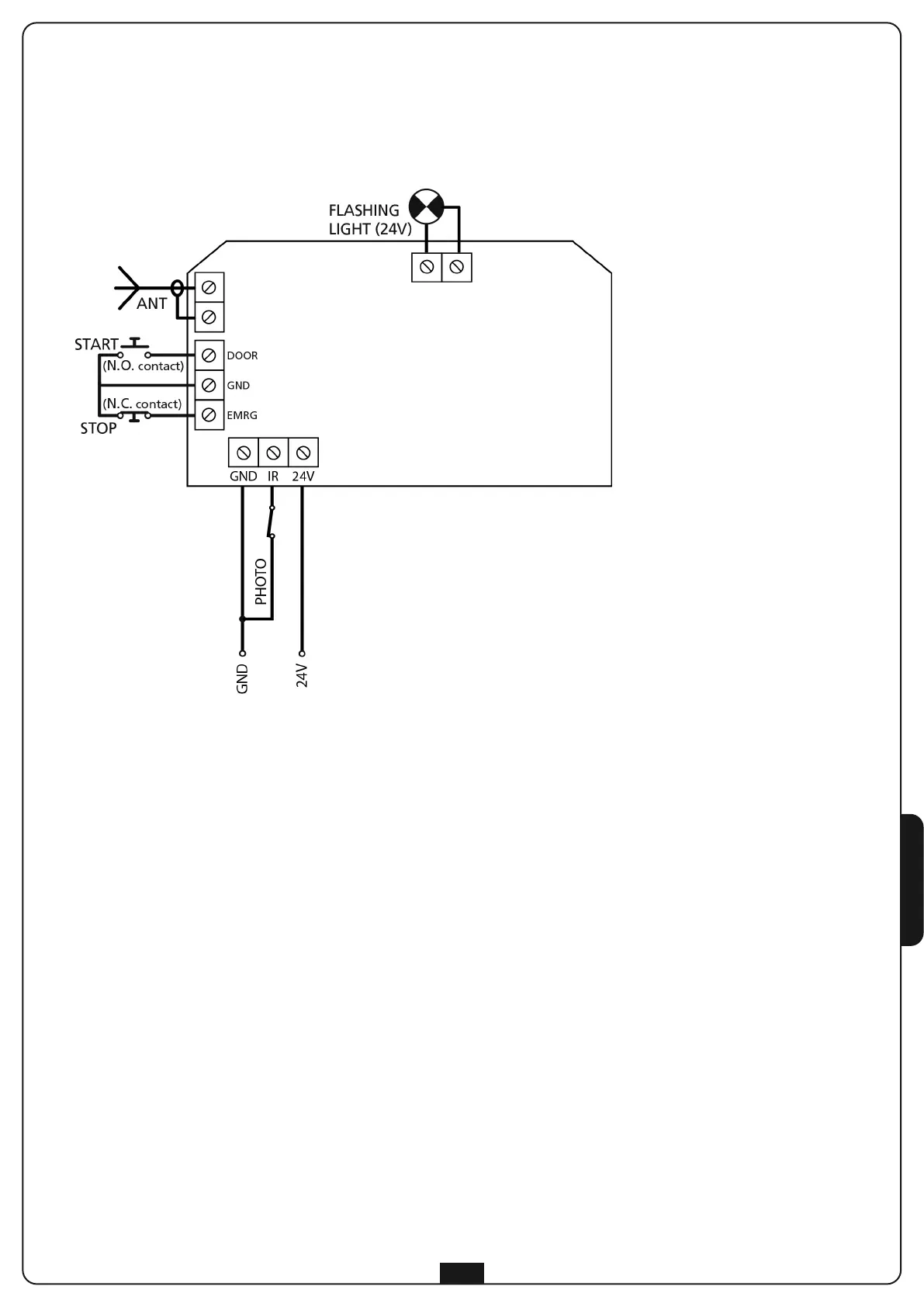
LEKTRISCHE AANSLUITINGEN
De stuurcentrale binnenin de JEDI is reeds bekabeld.
Het volstaat de stekker in het stopcontact te steken om over te gaan tot de programmering van de werkparameters.
Voor de aansluiting van de fotocellen en de START-knop wordt verwezen naar onderstaand schema:

Related product manuals