EasyManua.ls Logo

V2 JEDI-1000

V2 JEDI-1000
88 pages
Go to English
To Next Page IconTo Next Page
To Next Page IconTo Next Page
To Previous Page IconTo Previous Page
To Previous Page IconTo Previous Page
Loading...
DEUTSCH
67
E
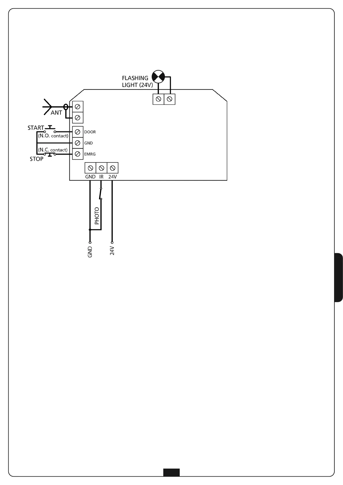
LEKTRISCHE ANSCHLÜSSE
Die Steuerung im Inneren des JEDI ist bereits verkabelt.
Es reicht aus, den Stecker in die Steckdose zu stecken, um die Programmierung der Funktionsparameter vorzunehmen.
Für den Anschluss der Fotozellen und des START-Knopfes siehe nachfolgendes Schema:

Related product manuals