EasyManua.ls Logo

V2 JEDI-1000

V2 JEDI-1000
88 pages
Go to English
To Next Page IconTo Next Page
To Next Page IconTo Next Page
To Previous Page IconTo Previous Page
To Previous Page IconTo Previous Page
Loading...
PORTUGUÊS
55
L
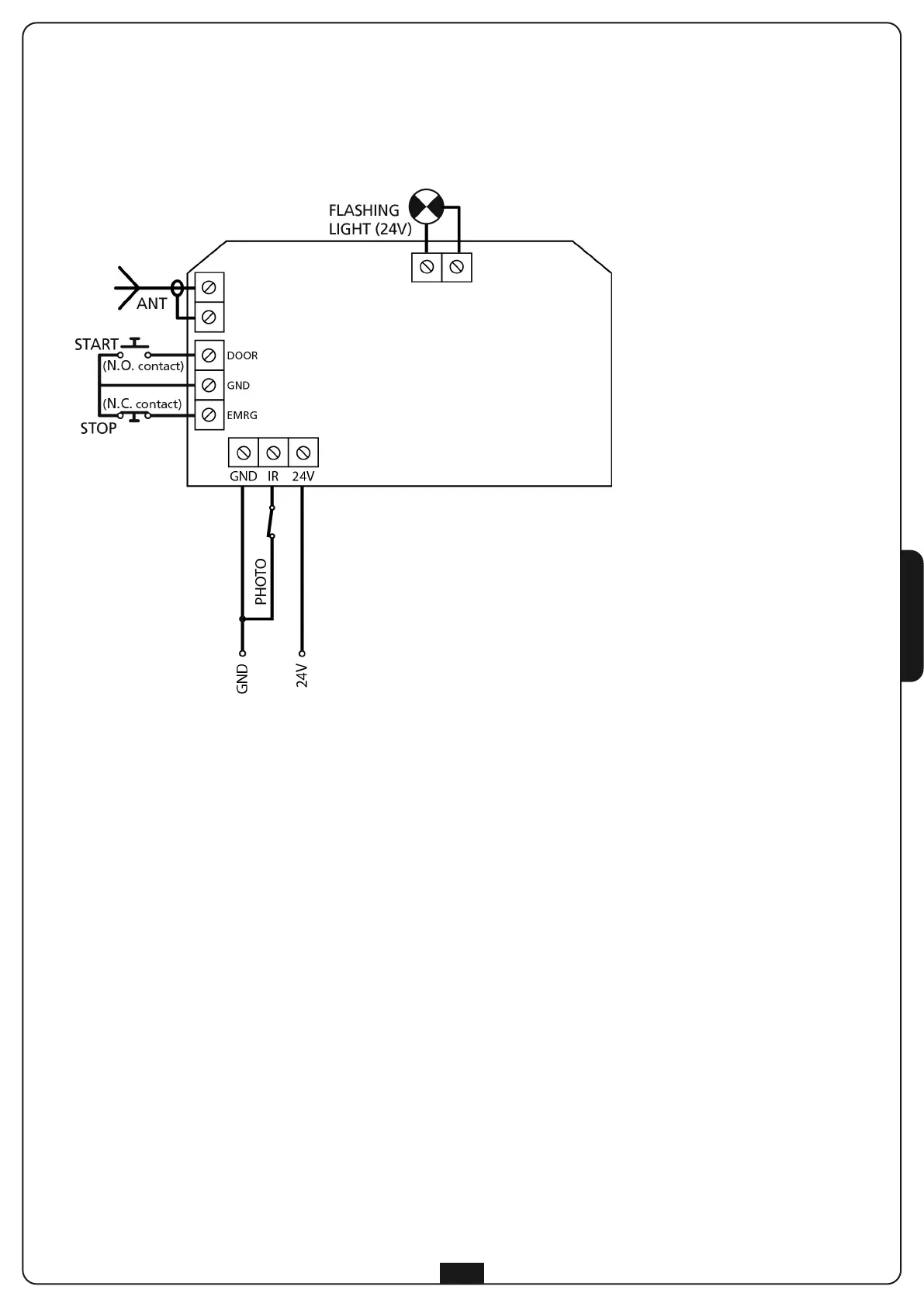
IGAÇÕES ELÉCTRICAS
O quadro de comandos no interior de JEDI já está cablado.
Basta inserir a ficha de cabo na tomada de corrente para proceder com a programação dos parâmetros de funcionamento.
Para a ligação das células fotoeléctricas e do botão de START seguir o esquema indicado abaixo:

Related product manuals