EasyManua.ls Logo

Vacon 100X - Installation Requirements

Vacon 100X
30 pages
Print Icon
To Next Page IconTo Next Page
To Next Page IconTo Next Page
To Previous Page IconTo Previous Page
To Previous Page IconTo Previous Page
Loading...
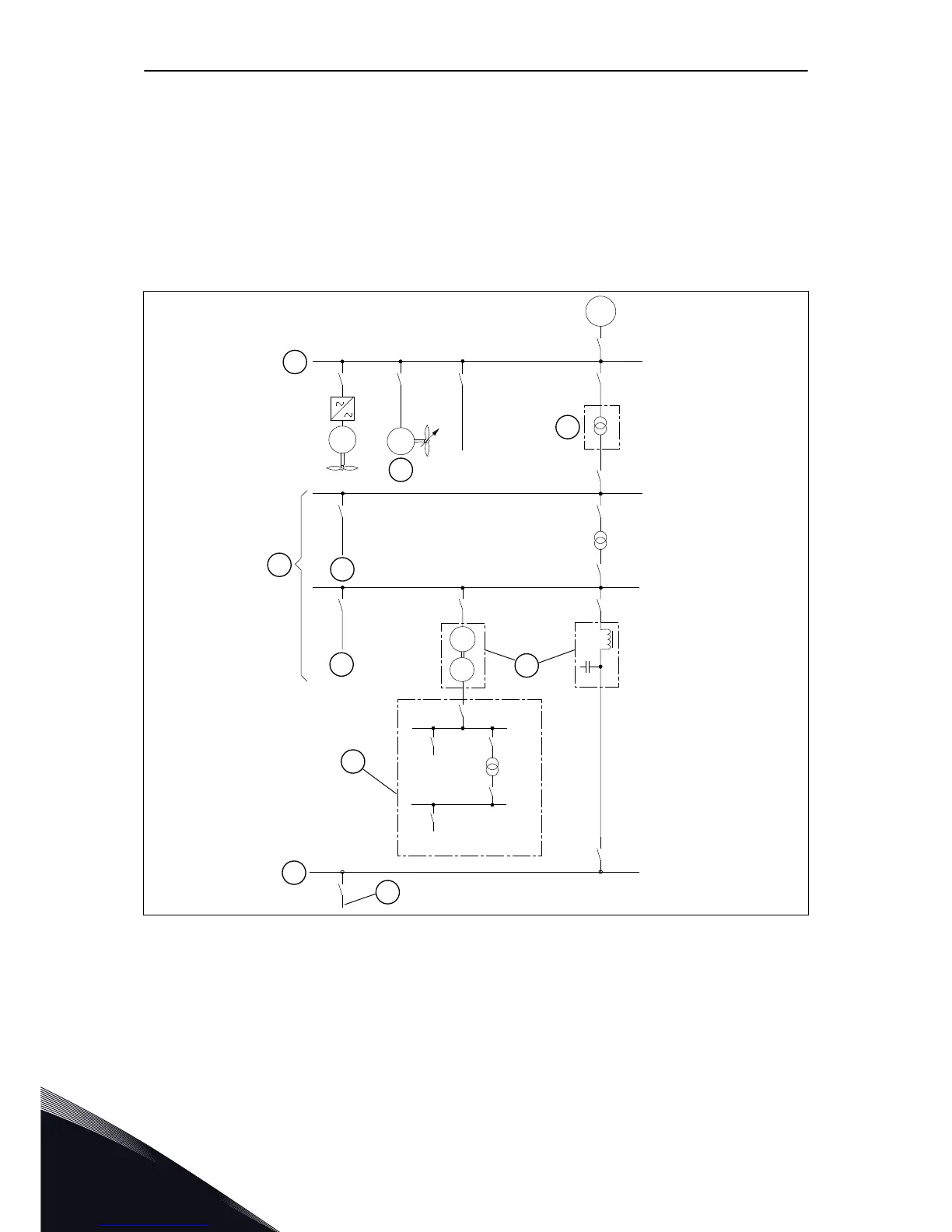
4.2 INSTALLATION REQUIREMENTS
In the marine environment, the power distribution system is normally divided into 3 zones.
The Vacon 100 drives are type-approved in these zones.
Special power distribution zone
General power distribution zone
Passenger accommodation zone
The Vacon 100 drives are not type-approved in bridge or deck zones.
A
B
D
E
E
F
G
H
C
I
230 V
230 V
115 V
230 V
450 V
G
3~
M
3~
M
3~
G
3~
M
3~
Fig. 12: The installation zones in a marine environment
A. Special power distribution zone
B. Propulsion systems, bow thruster, etc.
C. Transformer or other way of decoupling
D. General power distribution zone
E. Normal consumers
F. Transformer or other way of decoupling
G. Passenger accommodation zone
H. Bridge and deck zone
I. Radiocommunication and navigation,
intercommunication, etc.
VACON · 20 MOUNTING
4
TEL. +358 (0)201 2121 · FAX +358 (0)201 212 205

Related product manuals