EasyManua.ls Logo

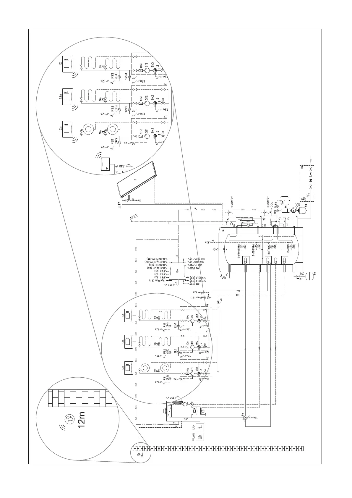
Vaillant VR 71 - 4.9.1.1 Sample basic system diagrams

Vaillant VR 71
64 pages
Print Icon
To Next Page IconTo Next Page
To Next Page IconTo Next Page
To Previous Page IconTo Previous Page
To Previous Page IconTo Previous Page
Loading...
0020288151_04 Operating and installation instructions 35
4.9.1.1 Sample basic system diagrams

Table of Contents

Other manuals for Vaillant VR 71

Related product manuals