EasyManua.ls Logo

VALTIR QuadGuard - Page 37

Default Icon
68 pages
Print Icon
To Next Page IconTo Next Page
To Next Page IconTo Next Page
To Previous Page IconTo Previous Page
To Previous Page IconTo Previous Page
Loading...
Valtir.com 36 Revision D November 2022
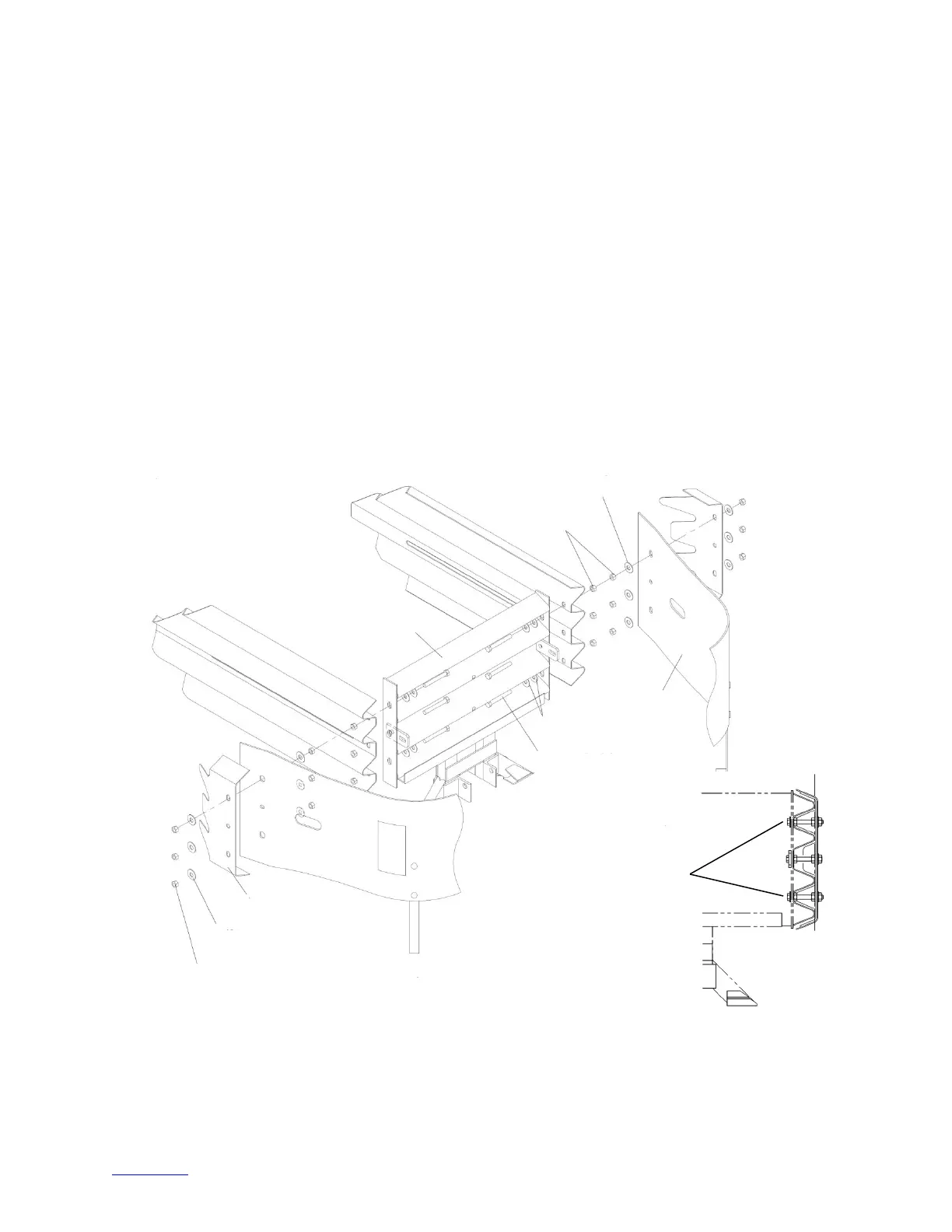
11b) Optional Belt Nose Assembly
a. Using 5/8” x 5” hex bolt, two (2) 5/8” x 1 3/4" flat washers and 5/8” hex nut, attach Fender
Panel to front Diaphragm top and bottom as shown in Figure 35 (two places per side).
b. Using 5/8” x 5” hex bolt and 5/8hex nut, attach Pullout Bracket to front Diaphragm and
Fender Panel middle as shown (one place per side).
c. Thread second 5/8” nuts onto the attached bolts. Be sure the faces of the nuts are flush
with humps on Fender Panels (Figure 35). Slide third 5/8” x 1 3/4” flat washers onto bolts
(three places per side).
d. Align holes in each end of the Nose Belt with the attached bolts (three per side) and slide
Nose Belt onto bolts.
e. Align holes in Belt Clamps with bolts and slide Belt Clamps onto bolts.
f. Using fourth 5/8” x 1 3/4" flat washer and third 5/8” hex nut, secure the Belt Clamps and
Nose Belt (three places per side).
Refer also to Nose Belt Assembly drawing.
Note: Nose alignment shown in Figure 34e not necessary with Nose Belt Assembly (p. 38).
Note: Nose of system may be delineated to comply with local codes (chevron, reflective material,
signs, etc. supplied by others).
5/8X 1 3/4"
FLAT WASHER
QG NOSE BELT
BELT CLAMP
5/8” X 5" G5 ALL
THREAD HEX BOLT
5/8” X 1 3/4" FLAT WASHER
5/8” HEX NUT
FRONT DIAPHRAGM
FACE OF THE NUT TO
BE FLUSH WITH HUMPS
ON FENDER PANEL
5/8” X 1 3/4" FLAT WASHER
5/8” HEX NUT
Figure 35
Optional Nose Belt Assembly

Related product manuals