EasyManua.ls Logo

Vermeiren Luna Basic 2 - Kabelverlegung

Vermeiren Luna Basic 2
148 pages
Print Icon
To Next Page IconTo Next Page
To Next Page IconTo Next Page
To Previous Page IconTo Previous Page
To Previous Page IconTo Previous Page
Loading...
Luna 2, Luna Basic 2, Luna UL 2
2016-06
Seite17
6. Jetzt benötigen Sie den oberen Lattenrost
.
Achten Sie darauf, dass sich der Motor oben
befindet.
7. Führen Sie die Schiene des oberen Lattenrosts
in die Schiene des Transportsets ein
. Sichern
Sie den oberen Lattenrost mit den Sterngriffen
.
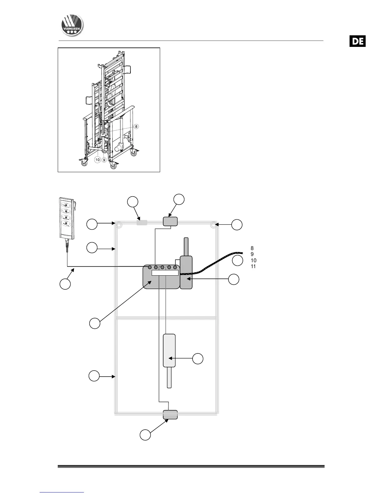
2.12 Kabelverlegung
1 = Kopflattenrost
2 = Fußlattenrost
3 = Aufnahmen Aufrichter
4 = Zugentlastung
5 = Netzkabel
6 = Trafo /Kontrollbox
7 = Motor Kopfliegefläche
8 = Motor Knieknick
9 = Motor Stirnteil Kopf
10 = Motor Stirnteil Fuß
11 = Handbedienung
Alle Verkabelungen
inner-halb des
Bettrahmens sind so zu
verlegen, dass kein
Bodenkontakt und keine
Quetsch- und
Scherstellen entstehen.
4 3 2 1
10
4
3
5
6
3
1
7
9
2
11
8

Table of Contents

Other manuals for Vermeiren Luna Basic 2

Related product manuals