EasyManua.ls Logo

Vetus M2.C5 - Page 74

Vetus M2.C5
76 pages
Print Icon
To Next Page IconTo Next Page
To Next Page IconTo Next Page
To Previous Page IconTo Previous Page
To Previous Page IconTo Previous Page
Loading...
72
11
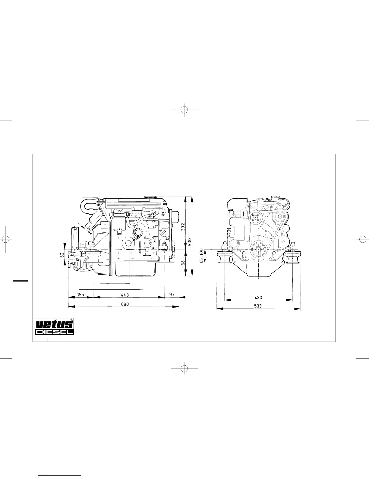
Overall dimensions
M3.09
1:10
STM6286
FUEL SUPPLY ø 8 mm
FUEL RETURN
ø 8 mm
EXHAUST ø 40 mm
SEA WATER INTAKE ø 20 mm
340102.04 M2C5D506/M309 EN 14-04-2005 10:37 Pagina 72

Table of Contents

Related product manuals