EasyManua.ls Logo

Vetus M2.D5 - Overall Dimensions

Vetus M2.D5
76 pages
Print Icon
To Next Page IconTo Next Page
To Next Page IconTo Next Page
To Previous Page IconTo Previous Page
To Previous Page IconTo Previous Page
Loading...
68
10
-4 -1 -2 -5 -3
Q1
R1
61 91 92 93 W
L1 L2 L3 L4 L5
R2
R3
-6
19/94
X2M
95W155817/1931
X1
-8
-7
-5 -4
-3 -6
D1
D2
D3
D4
D5
D6
D7
D8
D9
D10
L6
BZ
n/h
V
G
3Y
B4 B1 B2 B5 B3B6
p
ϑϑ
Coolant
temp.
Exhaust
temp.
A1 A3 A4 A2 A5 A6
Alternator
L
W
B+
Stop solenoid
(ETS)
Pre-heatingStarter motor
Oil
press.
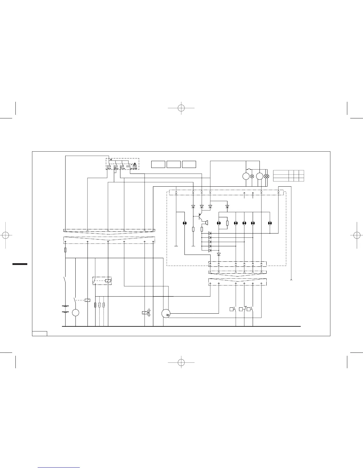
30
8587
86
A1 A3 A4 A2 A5 A6
B4 B1 B2 B5 B3B6
Red Yellow Orange Violet White Black
-1 -2
Engine panel model
'20' '21' '22'
Voltmeter
Tachometer/
hourcounter
Starter switch
Plug 'A'
Socket 'A'
Warning
lights
Pre-heating
Battery charging
Gearbox
oil pressure
Plug 'B'
Socket 'B'
Transparent
Yellow/Green
Green
Brown
Blue
Gray
Battery
Battery
switch
Fuse
Pre-
heating
relay
Model 20 21 22
Voltmeter ––1
Tachometer 11
R
Wiring diagram
Engine with panel model 20, 21, 22
VD00215
340102.04 M2C5D506/M309 EN 14-04-2005 10:37 Pagina 68

Table of Contents

Related product manuals