EasyManua.ls Logo

Vetus M2.D5 - Wiring Diagram

Vetus M2.D5
76 pages
Print Icon
To Next Page IconTo Next Page
To Next Page IconTo Next Page
To Previous Page IconTo Previous Page
To Previous Page IconTo Previous Page
Loading...
69
10
Q1
R1
61 91 92 93 95
L1
L2 L3 L4 L5
R3
R2
19/94
155817/1931
D1
D2
D3
D4
D5
D6
D7
D8
D9
D10
L6
BZ
B4 B1 B2 B5 B3B6
A1 A3 A4 A2 A5 A6
Red Yellow Orange Violet White Black
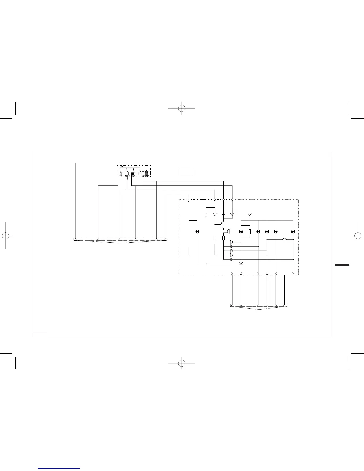
Engine panel model
'10'
W
Transparent
Green
Brown
Blue
Gray
J3
J4
Plug 'A'
Warning lights
Pre-heating
Starter switch
Yellow/Green
Plug 'B'
L2: Battery charging
L3: Exhaust temperature
L4: Oil pressure
L5: Coolant temperature
L6: Oil pressure gearbox
Options, panel model 10
Wiring diagram
VD00216
340102.04 M2C5D506/M309 EN 14-04-2005 10:37 Pagina 69

Table of Contents

Related product manuals