EasyManua.ls Logo

Viessmann B1HE-120 - HMU Heat Management Unit

Viessmann B1HE-120
128 pages
Print Icon
To Next Page IconTo Next Page
To Next Page IconTo Next Page
To Previous Page IconTo Previous Page
To Previous Page IconTo Previous Page
Loading...
94
6167 818 - 10
Vitodens 100-W, B1HE/B1KE Combi Installation/Service
Fault Messages
(continued)
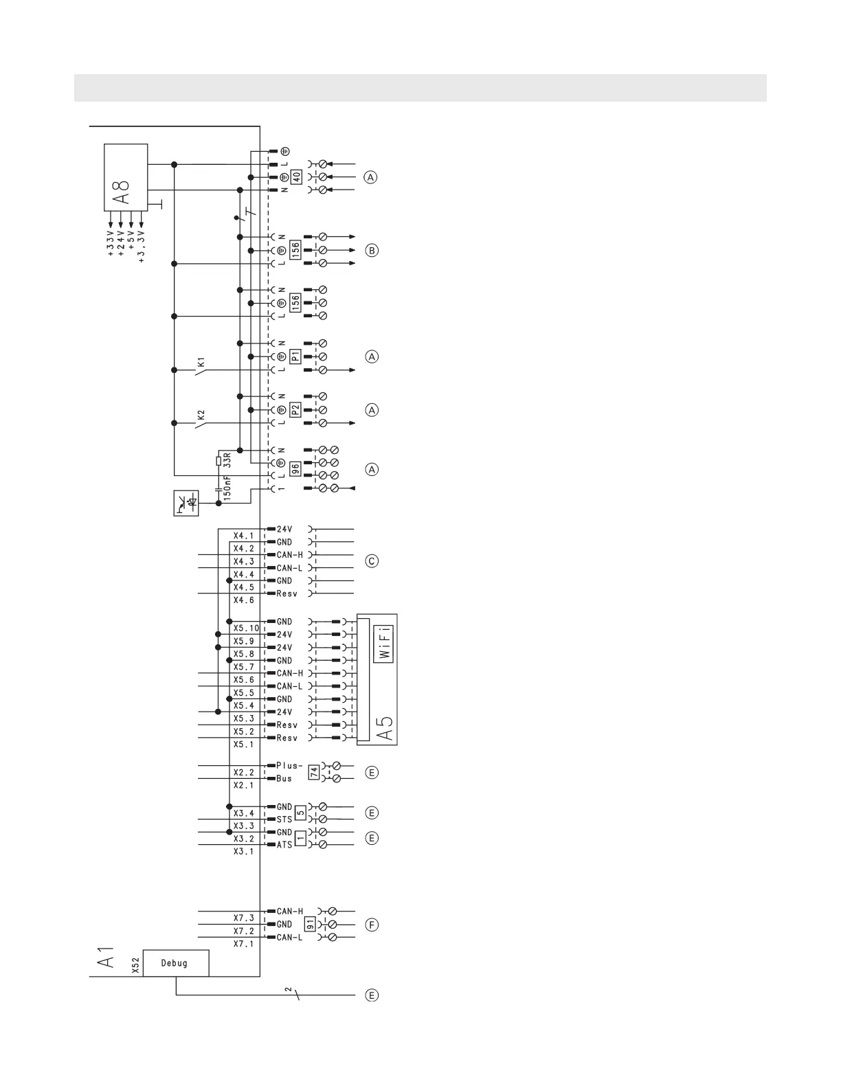
Wiring Diagram
Fault Messages
(continued)
HMU Heat Management Unit
Legend
A1 HMU heat management unit
A5 HMI programming unit with communication module
(TCU 200)
A8 Power supply unit
! Outside temperature sensor
(for weather-compensated operation)
% Tank temperature sensor
Power supply
jF PlusBus
lA CAN bus
lH Input 120VAC (function configurable through K1 relay
on WP board)
aBH No function
P1 Output 120V, 60 Hz
P2 Output 120V, 60 Hz
A To wiring panel X10
B To the BCU burner control unit
C To the BCU burner control unit
D PlusBus connection
E Wiring panel terminal X8/X9
F CanBus connection

Table of Contents

Related product manuals