EasyManua.ls Logo

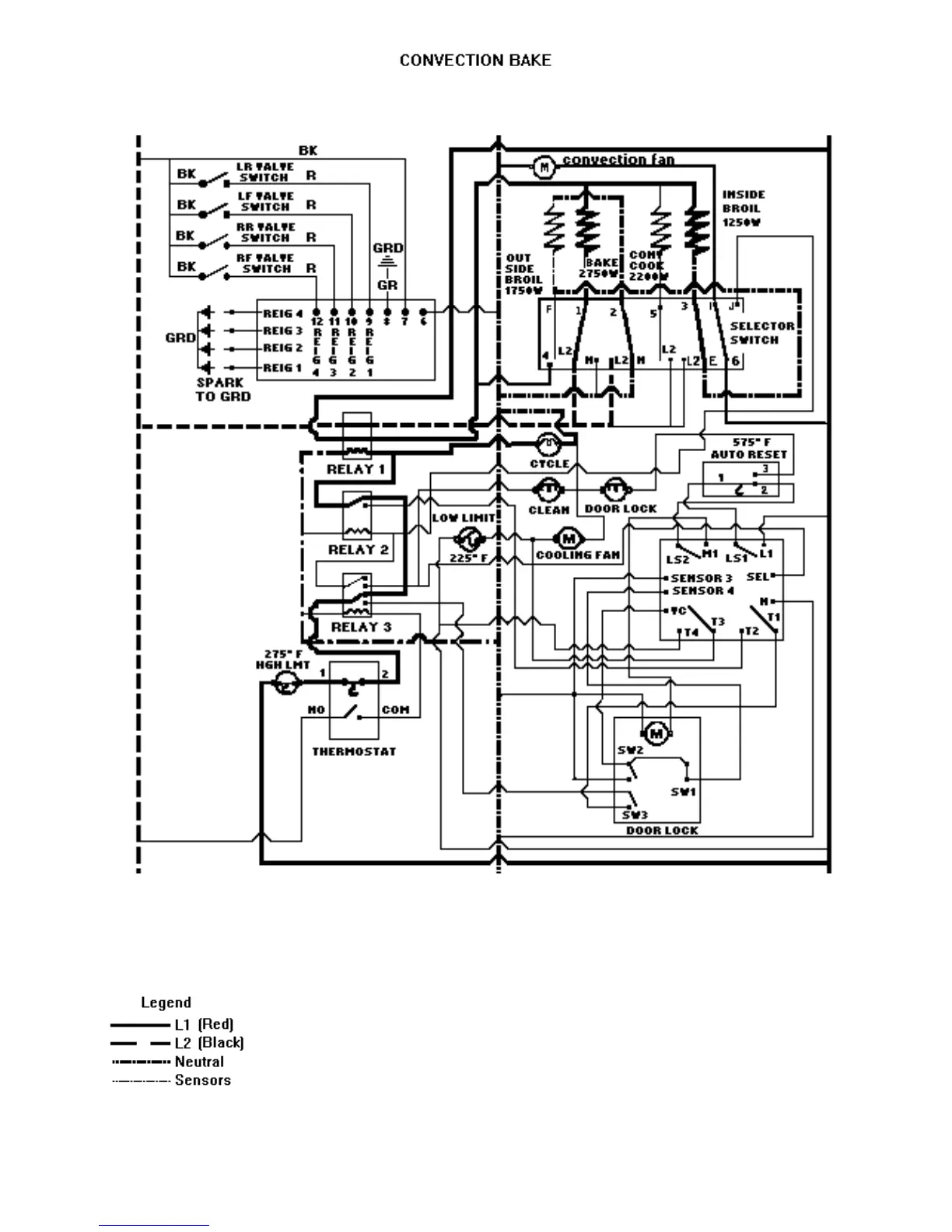
Viking 30'' W - Convection Bake Function Wiring and Operation; Selector Switch Convection Bake Logic

Viking 30'' W
50 pages
Print Icon
To Next Page IconTo Next Page
To Next Page IconTo Next Page
To Previous Page IconTo Previous Page
To Previous Page IconTo Previous Page
Loading...
28
L2 (BLK) N (WH) L1(RED)
Selector Convection Bake position closes Switches 1-L2, 2-N, 3-E, and 6-1. 6-1 powers the Convection Fan through
L-1 at 120v. The Thermostat closes Switches Cy1-Cy2, which cycles with the oven temperature powering Relay 1 and
the Oven Cycle Light. When Relay 1 closes, it powers the Bake Element at 208v/240v, and with the Broil Element in
series across a 120v circuit, it powers the inside Broil Element at 70v and the outside Broil Element at 50v.

Other manuals for Viking 30'' W

Related product manuals