EasyManua.ls Logo

Viking VCFF136 - Wiring Diagrams and Schematics; Full Schematic Diagram

Viking VCFF136
56 pages
Print Icon
To Next Page IconTo Next Page
To Next Page IconTo Next Page
To Previous Page IconTo Previous Page
To Previous Page IconTo Previous Page
Loading...
Wiring and Schematics
55
© 2010 Viking Preferred Service
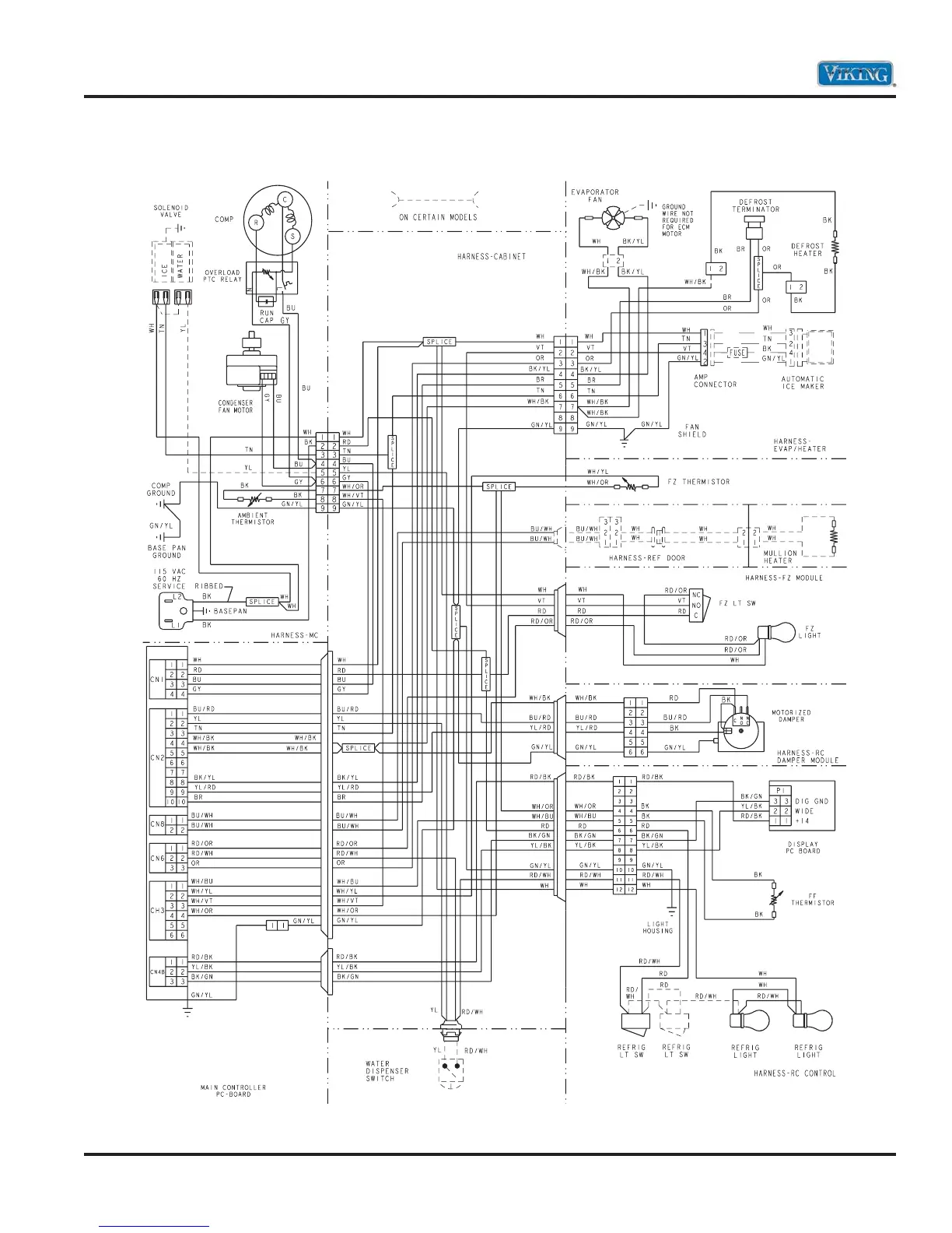
Full Schematic

Table of Contents

Other manuals for Viking VCFF136

Related product manuals