EasyManua.ls Logo

Viking VCFF136 - Wiring Diagram Details

Viking VCFF136
56 pages
Print Icon
To Previous Page IconTo Previous Page
To Previous Page IconTo Previous Page
Loading...
© 2011 Viking Preferred Service
56
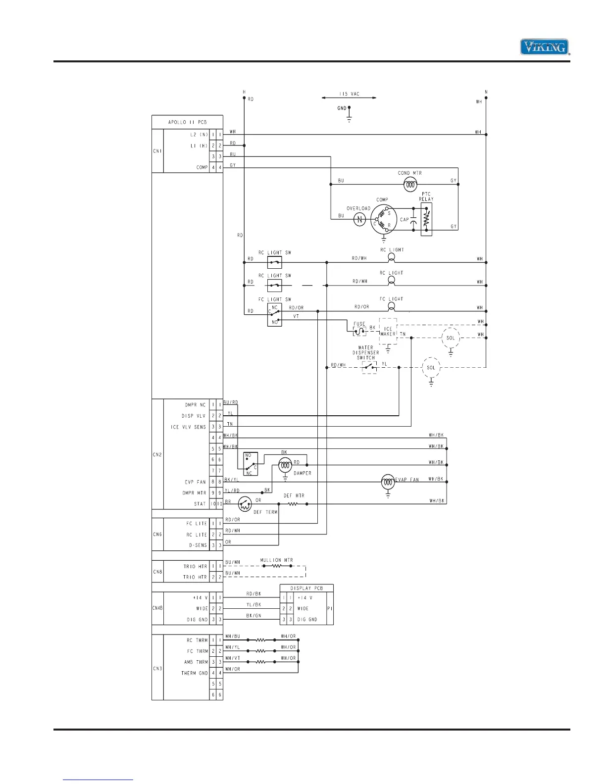
Wiring and Schematics
Wiring Diagram

Table of Contents

Other manuals for Viking VCFF136

Related product manuals