EasyManua.ls Logo

Viper AS4335C - Wiring Diagram (120 Vac)

Viper AS4335C
85 pages
Print Icon
To Next Page IconTo Next Page
To Next Page IconTo Next Page
To Previous Page IconTo Previous Page
To Previous Page IconTo Previous Page
Loading...
INSTRUCTION FOR USE ENGLISH
9
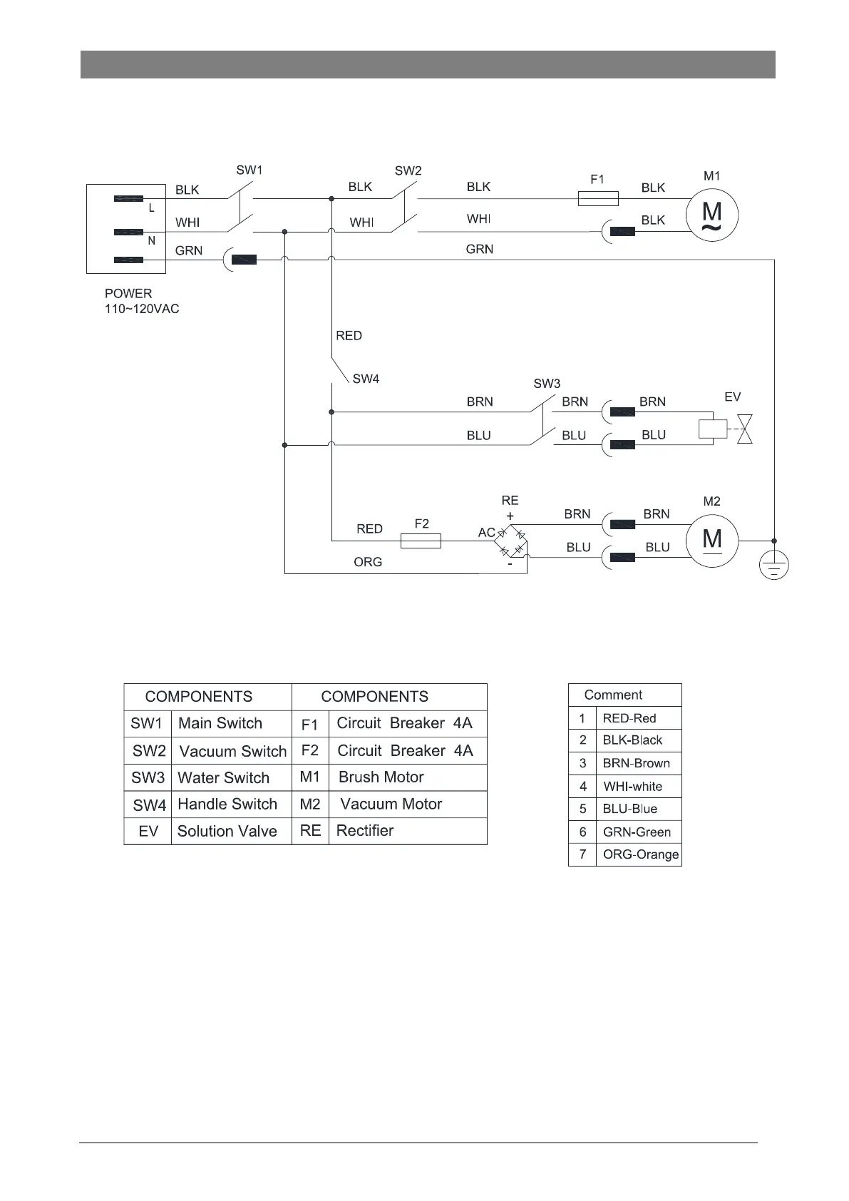
WIRING DIAGRAM (110-120VAC)

Table of Contents

Other manuals for Viper AS4335C