EasyManua.ls Logo

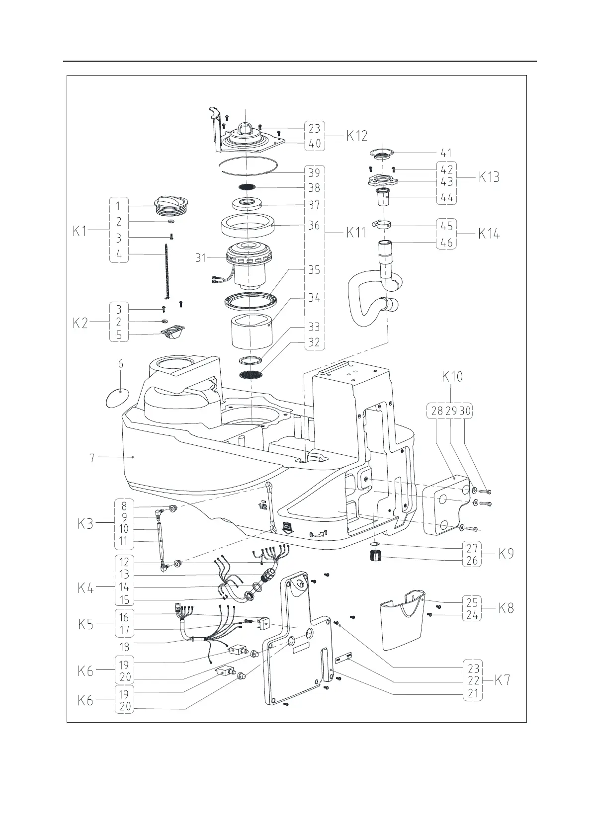
Viper AS4335C - As4335 C Solution Tank Assembly

Viper AS4335C
85 pages
Print Icon
To Next Page IconTo Next Page
To Next Page IconTo Next Page
To Previous Page IconTo Previous Page
To Previous Page IconTo Previous Page
Loading...
PARTS LIST
69
AS4335C SOLUTION TANK ASSEMBLY
1
2
3
4

Table of Contents

Other manuals for Viper AS4335C