EasyManua.ls Logo

Viper AS4335C - Schéma de Câblage (120 Vca)

Viper AS4335C
85 pages
Print Icon
To Next Page IconTo Next Page
To Next Page IconTo Next Page
To Previous Page IconTo Previous Page
To Previous Page IconTo Previous Page
Loading...
INSTRUCTIONS D’UTILISATION FRANÇAIS
29
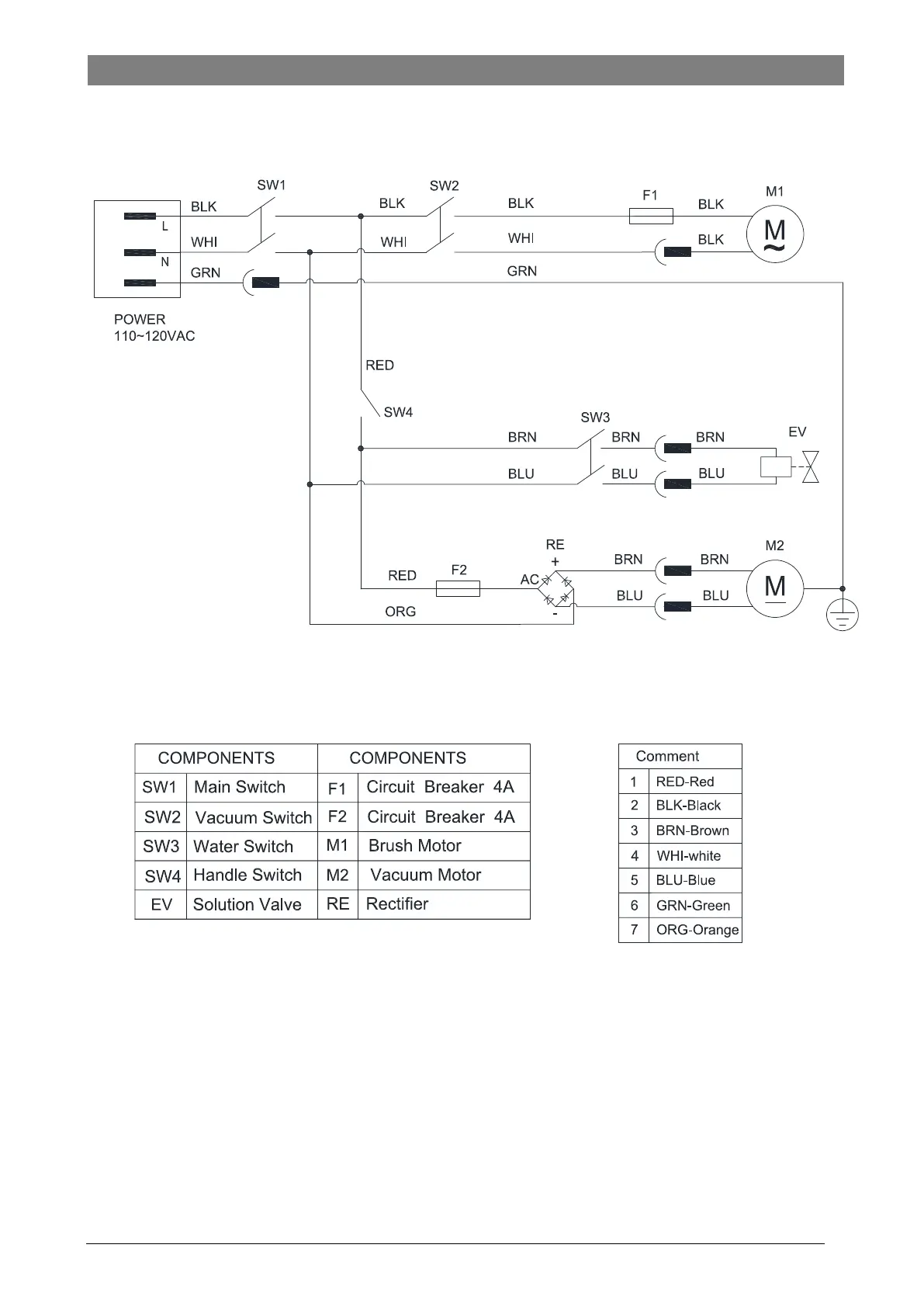
SCHÉMA DE CÂBLAGE (110-120VAC)

Table of Contents

Other manuals for Viper AS4335C