EasyManua.ls Logo

Viper AS4335C - Esquema Eléctrico (120 Vca)

Viper AS4335C
85 pages
Print Icon
To Next Page IconTo Next Page
To Next Page IconTo Next Page
To Previous Page IconTo Previous Page
To Previous Page IconTo Previous Page
Loading...
INSTRUCCIONES DE USO ESPAÑOL
49
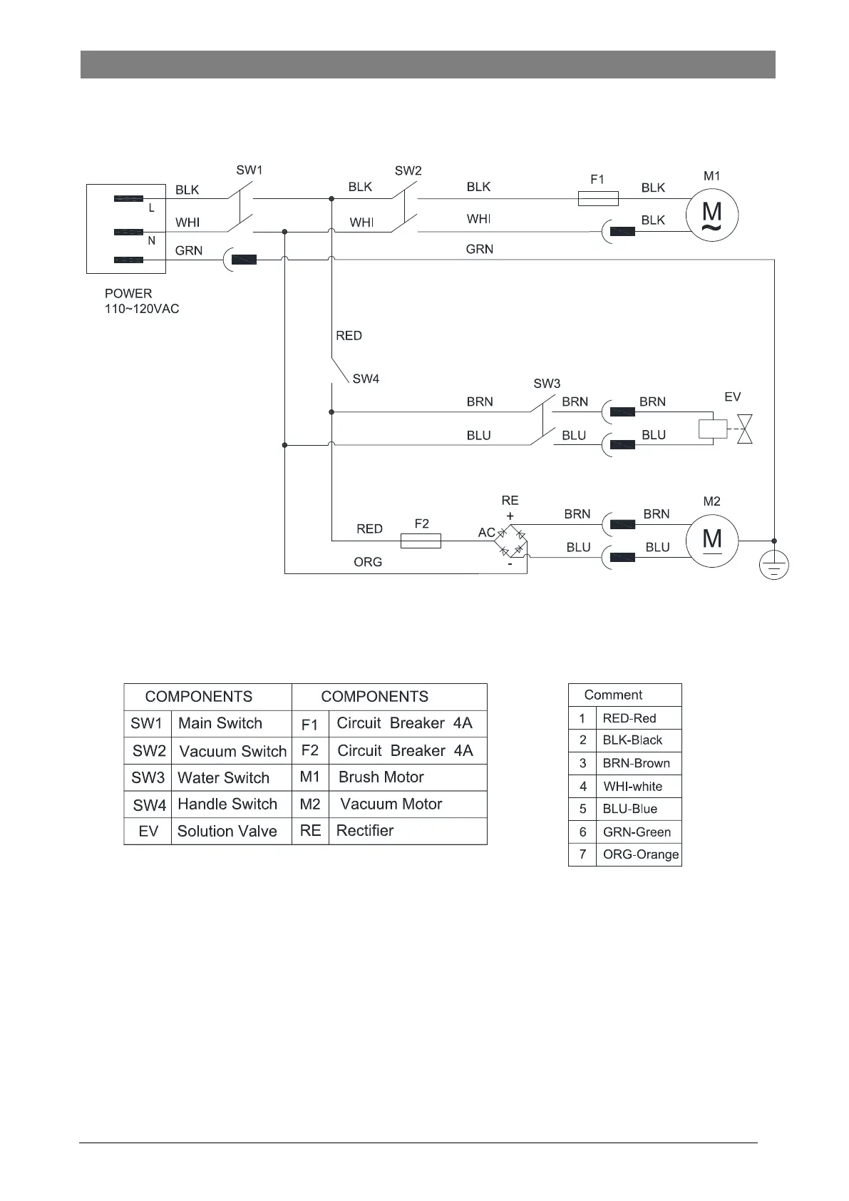
ESQUEMA ELÉCTRICO (110-120 VAC)

Table of Contents

Other manuals for Viper AS4335C