EasyManua.ls Logo

Viper AS4335C - As4335 C 110-120 V Wiring Diagram

Viper AS4335C
85 pages
Print Icon
To Next Page IconTo Next Page
To Next Page IconTo Next Page
To Previous Page IconTo Previous Page
To Previous Page IconTo Previous Page
Loading...
PARTS LIST
82
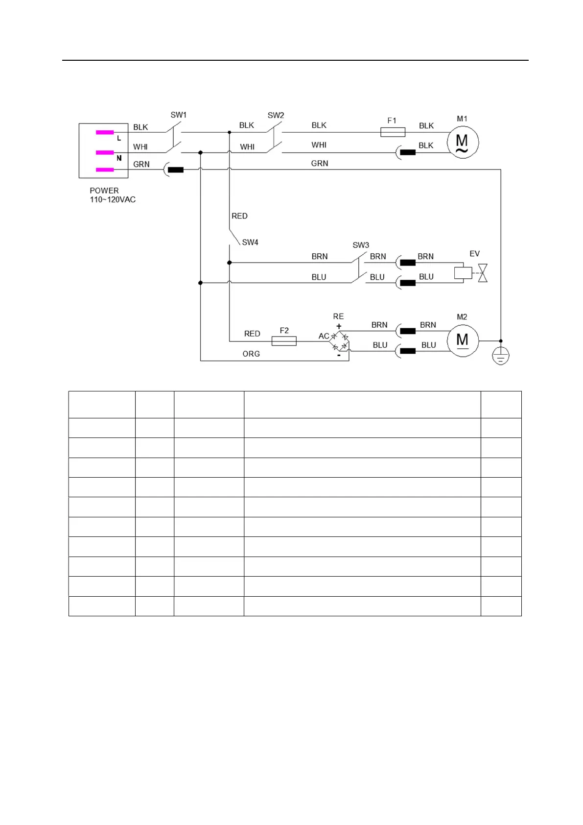
AS4335C 110-120V WIRING DIAGRAM
Kit Item
Part No. Description Qty
SW1
VV60153
SWITCH RL(2)P DPST
1
SW2
VV60153
SWITCH RL(2)P DPST
1
SW3
VV60153
SWITCH RL(2)P DPST
1
SW4
VV81432
MICRO SWITCH
1
F1 VV81407 CIRCUIT BREAKER 4A 1
F2 VV81407 CIRCUIT BREAKER 4A 1
M1 VS15000 BRUSH MOTOR 110-120V 250W 1
EV VS15014 SOLENOID VALVE 110VAC 1
M2 VS15004 MOTOR VACUUM 110~120V 60HZ 1
RE VS15016 RECTIFIER 1000V 50A 1

Table of Contents

Other manuals for Viper AS4335C