EasyManua.ls Logo

Voltronic Power 10KW - Application

Voltronic Power 10KW
53 pages
Print Icon
To Next Page IconTo Next Page
To Next Page IconTo Next Page
To Previous Page IconTo Previous Page
To Previous Page IconTo Previous Page
Loading...
20
Power on
Condition 3:
230V
When the unit is not working at inverter
mode or grid is available.
0V
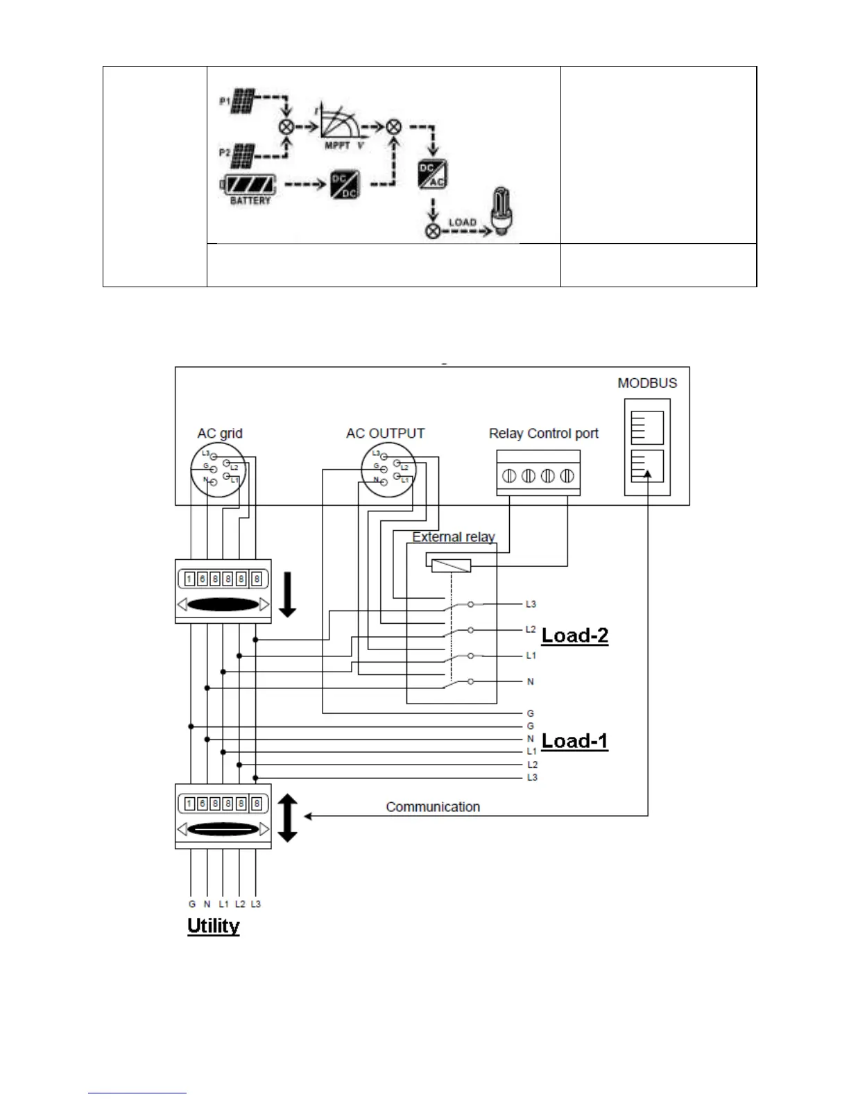
11-3. Application
Below chart is recommended circuit wiring.
3-phase inverter

Related product manuals