EasyManua.ls Logo

Wacker Neuson LTN 6K-V

Wacker Neuson LTN 6K-V
106 pages
To Next Page IconTo Next Page
To Next Page IconTo Next Page
To Previous Page IconTo Previous Page
To Previous Page IconTo Previous Page
Loading...
wc_tx003107gb.fm
100
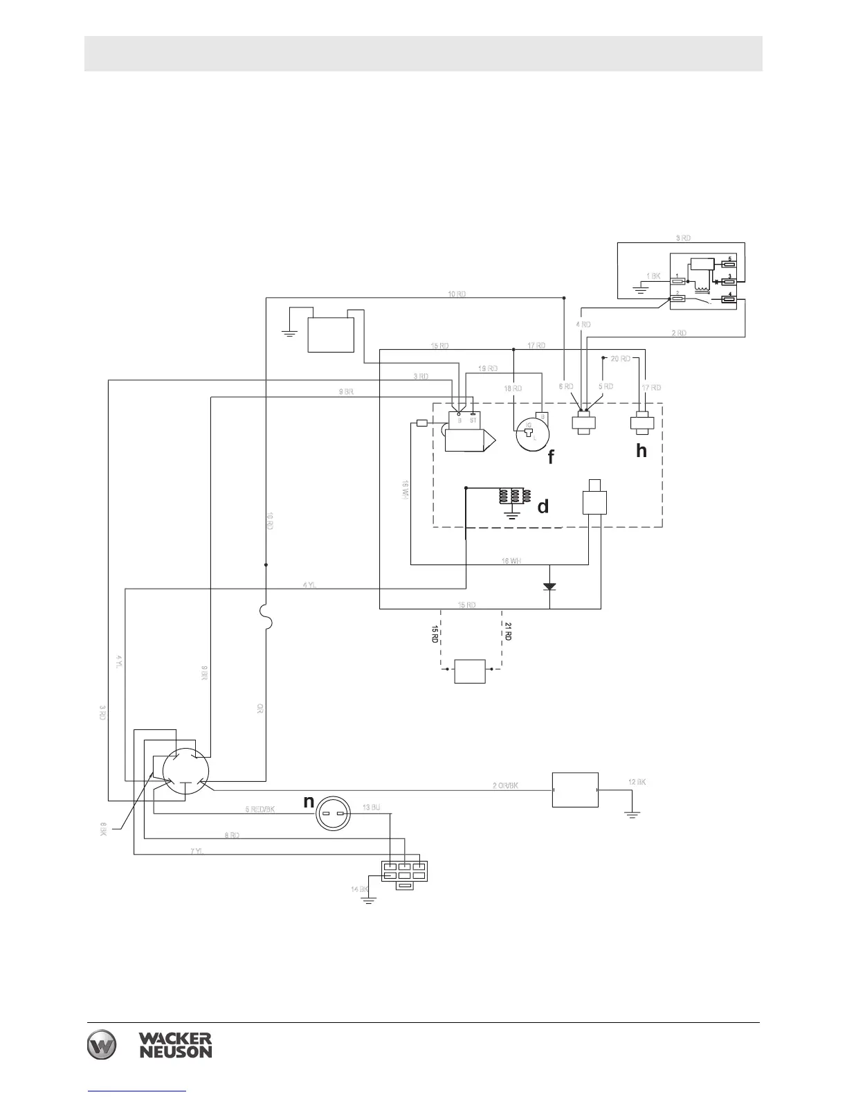
Schematics LTN
11.6 Engine Wiring
m
o
n
k
p
b
c
e
i
g
h
a
wc_gr011346
L
B
IG
ST
B
17 RD
19 RD
16 WH
15 RD
15 RD
16 WH
10 RD
10 RD
OR
9 BR
3 RD
9 BR
4YL
4 YL
3 RD
7YL
13 BU
14 BK
12 BK
2 OR/BK
8 RD
5 RED/BK
6 BK
2
3 RD
2RD
j
6 RD
6 RD
18 RD
R
5 RD
5 R
20 RD
7RD
17
4RD
4R
1BK
+–

Table of Contents

Related product manuals