EasyManua.ls Logo

WarmFlow Utility U70HE - Page 40

Default Icon
80 pages
Print Icon
To Next Page IconTo Next Page
To Next Page IconTo Next Page
To Previous Page IconTo Previous Page
To Previous Page IconTo Previous Page
Loading...
Page 38
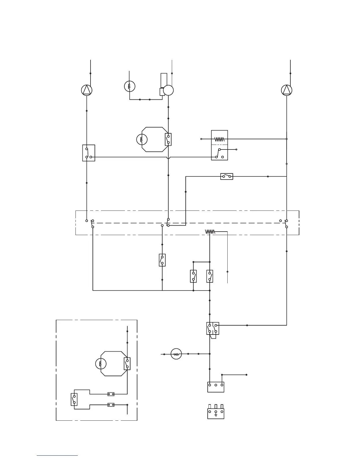
3.3.2 Wiring Schematic
BURNER
D.H.W. PUMP
C.H. PUMP
TRIPLE POLE RELAY
N.C.
BOILER STAT
N.O.
N.C.
N.O.
N.O.
N.C.
C
C
C
COIL
7
20 21
2425
22
14
N
N
N
N
N
10
8
1
26
29
N
26
28
30
3 19
23
17
18
16
5
L1
N
E
L1
N
MAINS PLUG
H.W.
C.H.
TANK STAT
FLOW SWITCH
TANK LIMIT
STAT
9
BOILER LIMIT STAT
15
2
13
1
6
4
MAINS ON
LAMP
(GREEN)
H/L RESET
LAMP
(YELLOW)
LOCKOUT
LAMP
(GREEN)
LAMP
7
16
BOILER LIMIT STAT
15
H/L RESET
LAMP
(YELLOW)
BREAK INTO THE WHITE
WIRE BETWEEN NO 16 ON
THE PCB AND THE LIMIT
STAT AND CONNECT IN THE
PRESSURE SWITCH WITH A
WIRING BLOCK AS SHOWN
LOW PRESSURE
SWITCH
LOW PRESSURE
SWITCH
WIRING A LOW PRESSURE SWITCH
12
WIRING
BLOCK
COIL
N
11
PUMP OVER
RUN STAT
PUMP OVER
RUN RELAY
27
WIRING
BLOCK
NC
NO
C
2
4
3

Table of Contents

Related product manuals