EasyManua.ls Logo

WarmFlow Utility U70HE - One Pipe Lift System

Default Icon
80 pages
Print Icon
To Next Page IconTo Next Page
To Next Page IconTo Next Page
To Previous Page IconTo Previous Page
To Previous Page IconTo Previous Page
Loading...
Page 48
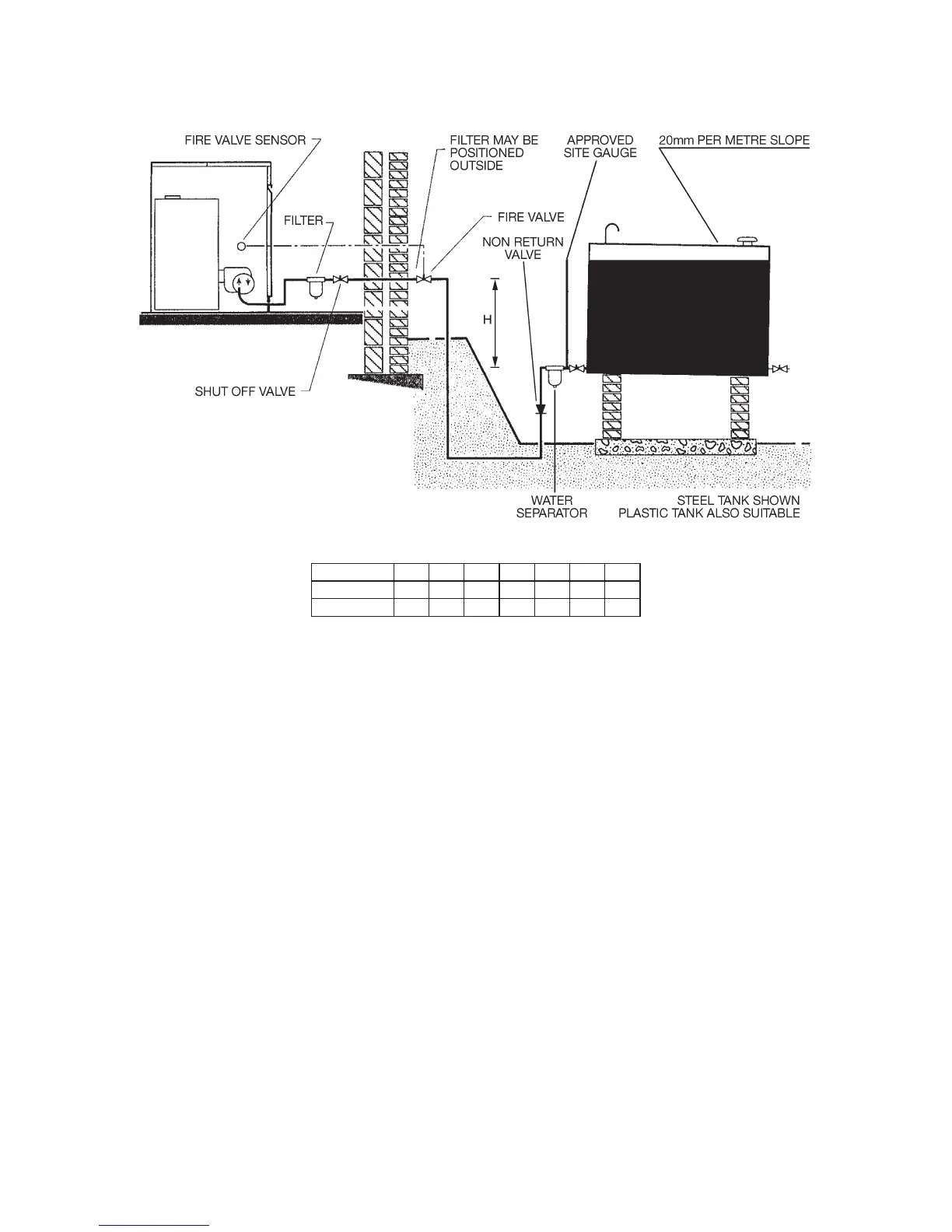
Head H(m)
ID 8mm
ID 10mm
0.5 1 2 3
35 25 15 8
100 100 70 30
0.5
30
100
3.5
6
20
1.5
20
90
Total Maximum Pipe Length (m)
4.4 One Pipe Lift System
Note: The pump vacuum should
not exceed a maximum of 0.4 bar.
Above this gas is released from the
oil thus leading to burner lock out.

Table of Contents

Related product manuals