EasyManua.ls Logo

Washtech XP Series - Wiring Diagram

Washtech XP Series
44 pages
Print Icon
To Next Page IconTo Next Page
To Next Page IconTo Next Page
To Previous Page IconTo Previous Page
To Previous Page IconTo Previous Page
Loading...
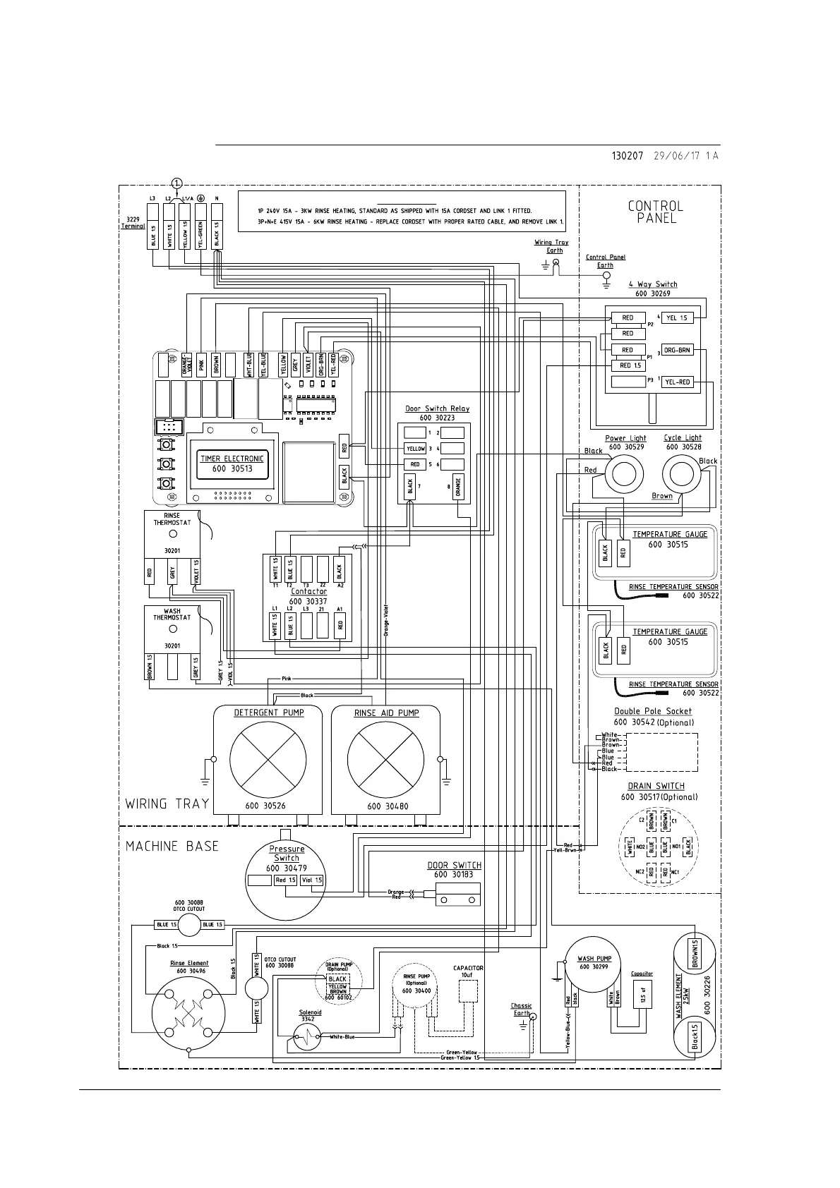
XP3(W) WIRING DIAGRAM
IMPORTANT
·
·
Service Manual XP3
35
Revision 1F

Related product manuals