EasyManua.ls Logo

wayscral ANYWAY E-100 - Diagrama Eléctrico de Anyway E-100; Diagrama Eléctrico y Características

wayscral ANYWAY E-100
Print Icon
To Next Page IconTo Next Page
To Next Page IconTo Next Page
To Previous Page IconTo Previous Page
To Previous Page IconTo Previous Page
Loading...
126
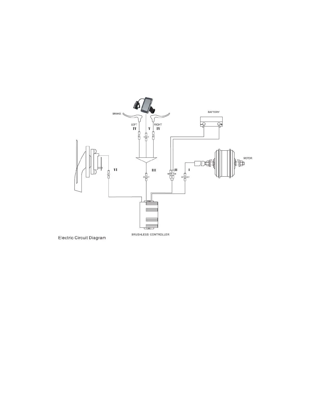
X. Diagrama eléctrico y características
Nos reservamos el derecho, sin previo aviso, de modificar este producto. Para más información,
póngase en contacto con su distribuidor.
1. Diagrama eléctrico de Anyway E-100

Table of Contents

Related product manuals