EasyManua.ls Logo

wayscral ANYWAY E-100 - Schaltplan des Anyway E-100; Schaltplan und Erklärungen

wayscral ANYWAY E-100
Print Icon
To Next Page IconTo Next Page
To Next Page IconTo Next Page
To Previous Page IconTo Previous Page
To Previous Page IconTo Previous Page
Loading...
94
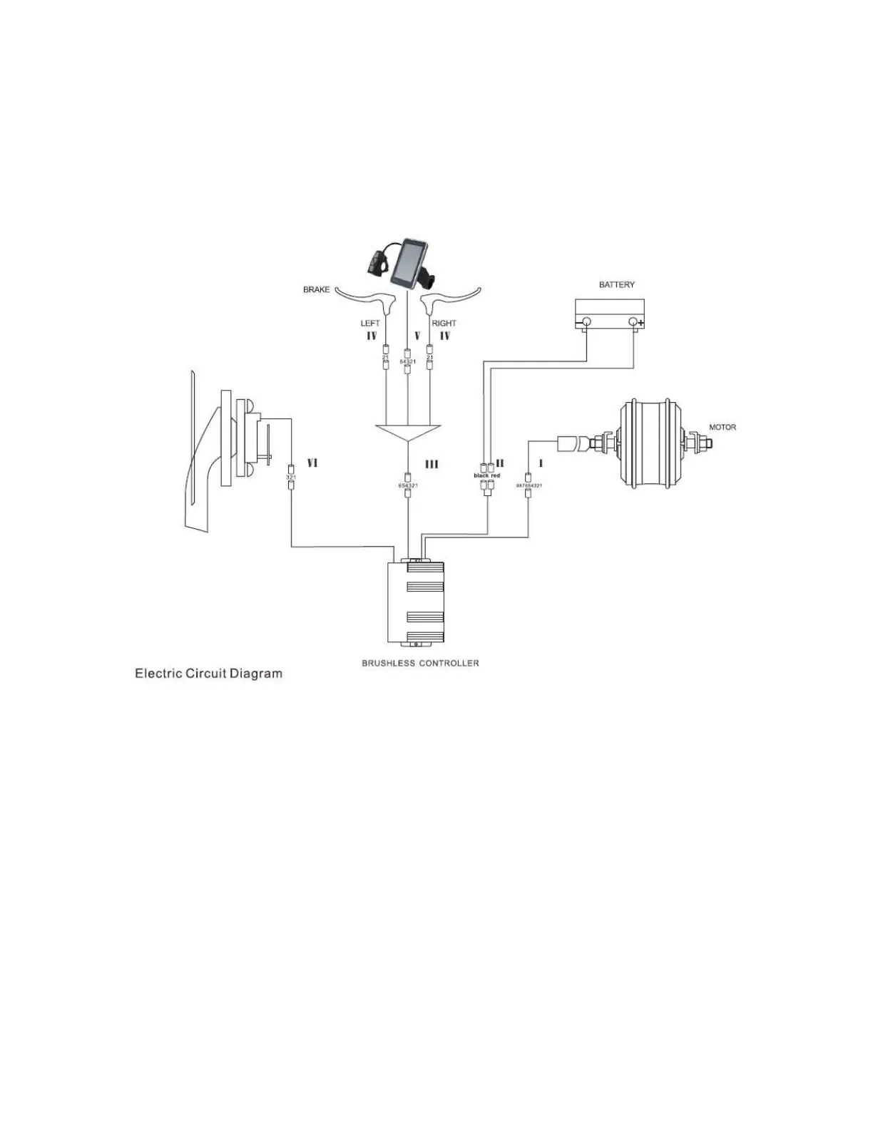
X. Schaltplan und Erklärungen
Wir behalten uns das Recht vor, dieses Produkt ohne vorherige Ankündigung zu verändern.
Kontaktieren Sie für weitere Informationen Ihren Fachhändler.
1. Schaltplan des Anyway E-100

Table of Contents

Related product manuals