EasyManua.ls Logo

wayscral ANYWAY E-100 - Diagrama Elétrico da Anyway E-100; Diagrama Elétrico E Especificações

wayscral ANYWAY E-100
Print Icon
To Next Page IconTo Next Page
To Next Page IconTo Next Page
To Previous Page IconTo Previous Page
To Previous Page IconTo Previous Page
Loading...
258
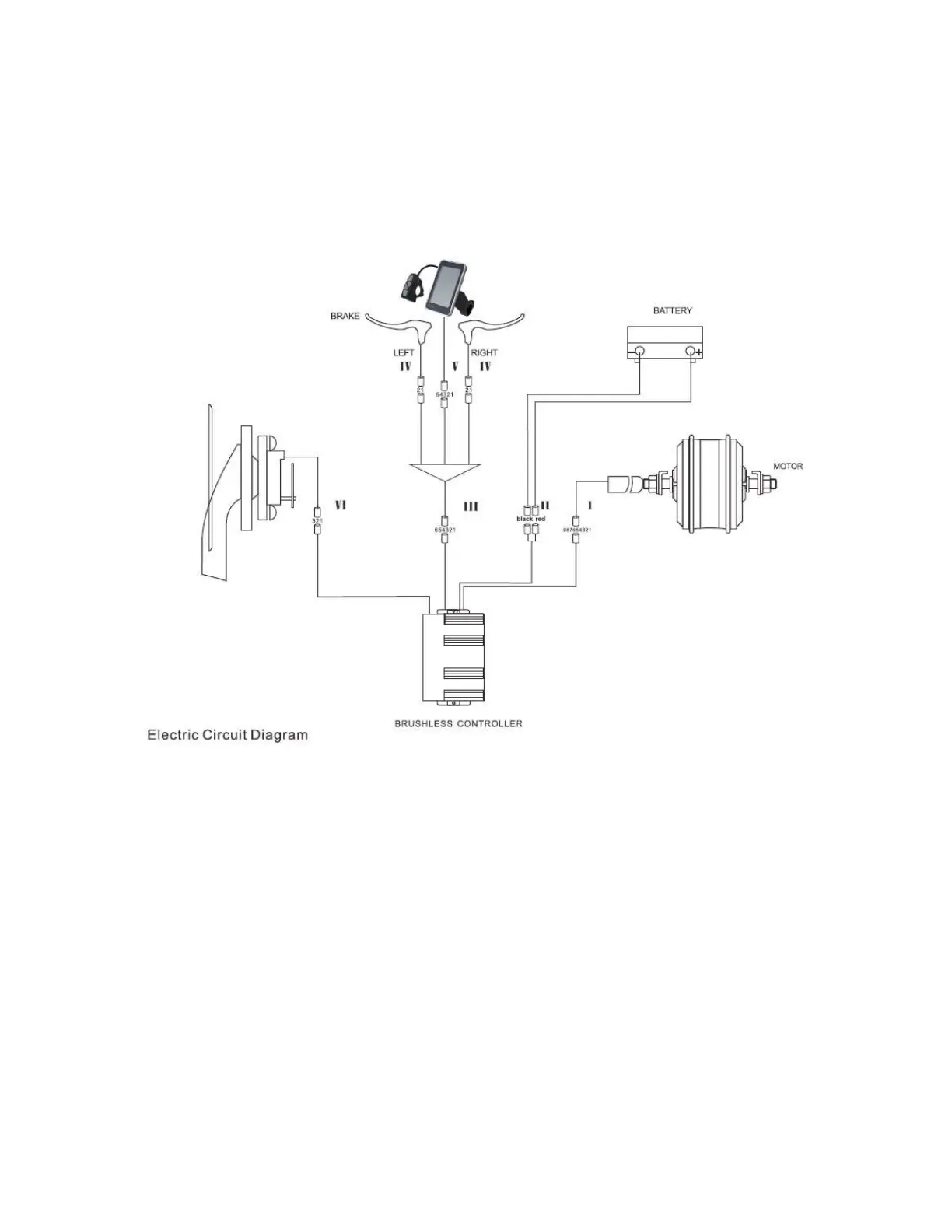
XI. Diagrama elétrico e especificações
Reservamo-nos o direito, sem aviso prévio, de modificar este produto. Para informações
complementares, contacte o seu vendedor.
1. Diagrama elétrico da Anyway E-100

Table of Contents

Related product manuals