EasyManua.ls Logo

wayscral ANYWAY E-100 - Diagramme Électrique et Spécifications; Diagramme Électrique de Lanyway E-100

wayscral ANYWAY E-100
Print Icon
To Next Page IconTo Next Page
To Next Page IconTo Next Page
To Previous Page IconTo Previous Page
To Previous Page IconTo Previous Page
Loading...
29
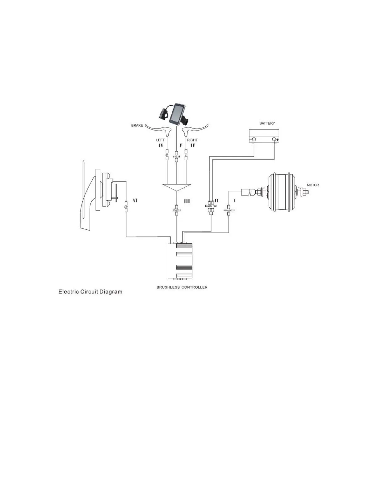
X. Diagramme électrique et spécifications
Nous nous réservons le droit, sans préavis, de modifier ce produit. Pour des informations
complémentaires, veuillez contacter votre détaillant.
1. Diagramme électrique de l’Anyway E-100

Table of Contents

Related product manuals