EasyManua.ls Logo

Weil-McLain PLUS LINE PLUS-E017-A/1206 - Zoning with Circulators

Weil-McLain PLUS LINE PLUS-E017-A/1206
68 pages
Print Icon
To Next Page IconTo Next Page
To Next Page IconTo Next Page
To Previous Page IconTo Previous Page
To Previous Page IconTo Previous Page
Loading...
Part Number PLUS-E017-A/1206
27
Manual Installation Start-Up Usage Maintenance Parts
Install system water piping (space heating) (continued)
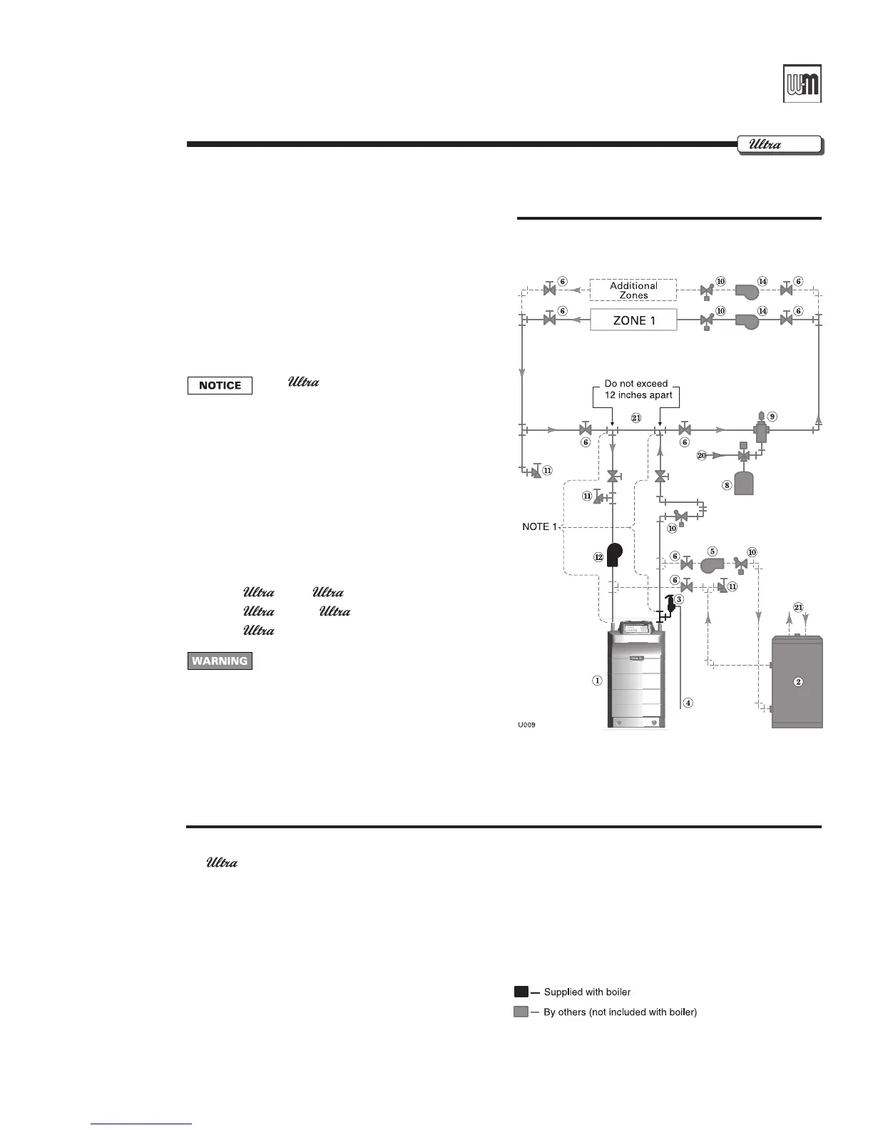
Figure 13 Circulator zoning plus optional water
heater piping
Zoning with circulators
1. Connect boiler to system as shown in Figure 13
when circulator zoning. The boiler circulator can-
not be used for a zone. It must supply only the boiler
loop.
2. Install a separate circulator for each zone.
3. Connect water heater (domestic hot water) pip-
ing to indirect storage water heater as shown in
Section A of this manual.
The PhD Control Module turns off
space heating during water heater heat-
ing. The boiler circulator will turn off,
preventing hot water from circulating to
the system. The flow/check valve shown
on the boiler outlet piping prevents grav-
ity circulation in the boiler loop during
water heater heating.
NOTE 1: To ensure adequate flow rate through the
boiler, use the following pipe size on all boiler
loop piping (connecting boiler to and from
the primary/secondary connection, item
21):
-80 or -105 – 1” or larger.
-155 or -230 – 1¼” or larger.
-310 – 1½” or larger.
Legend Figure 13
1 boiler
2 PLUS-Line indirect water heater
3 Boiler relief valve (see boiler manual for piping details)
4 Boiler relief valve discharge piping (see boiler manual for
details)
5 Water heater circulator (see page 7 for suggested sizing)
6 Isolation valves
7 System circulator
8 Diaphragm (or bladder) type expansion tank (see page 3
for piping of closed-type expansion tank, if used)
9 Air separator [with automatic air vent only on systems using
diaphragm (or bladder) type expansion tank]
10 Flow/check valves (with weighted seats to prevent gravity
circulation)
11 Purge/drain valves
12 Boiler circulator
14 Zone circulators, typical
20 Make-up water supply
21 Primary/secondary connection
Use at least the minimum piping size
above and pipe the boiler using only pri-
mary/secondary piping as shown. Failure
to follow these guidelines could result in
system problems.
B1
Gas

Table of Contents

Related product manuals