EasyManua.ls Logo

Weil-McLain PLUS LINE PLUS-E017-A/1206 - Primary;Secondary Piping - Figure 22

Weil-McLain PLUS LINE PLUS-E017-A/1206
68 pages
Print Icon
To Next Page IconTo Next Page
To Next Page IconTo Next Page
To Previous Page IconTo Previous Page
To Previous Page IconTo Previous Page
Loading...
38
Part Number PLUS-E017-A/1206
PLUS LINE
Indirect-Fired Water Heaters – Series 3
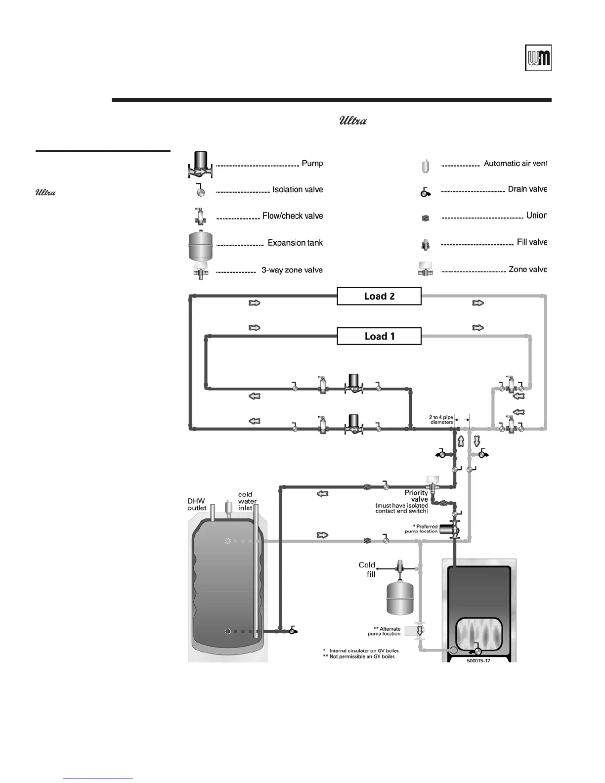
1. This drawing is conceptual only. It shows representative piping components and layout.
Weil-McLain does not represent that this drawing meets any particular mechanical or
building codes. The installer is responsible for inclusion of all required safety devices, or
other miscellaneous piping hardware not shown on drawing. The installer is responsible
for proper sizing/selection of all hardware shown on this diagram.
2. See Weil-McLain installation instructions for specific details on installing the boiler.
Notes
Figure 22
GOLD Plus 30/40/60/80
Plus 40/60/80
PLUS 100/110/119
Zoning with pumps
Primary/secondary piping
Place pumps at beginnings of
zones. Placing them at the ends
of zones could result in heating
idle zones.
Size primary circuit manifold for
total flow of all zone pumps, with
pressure drop of no more than 1
foot W.C.
Wiring options:
Figure 42, page 60 — Pump
relays and 3-way priority valve
and priority relay
Boiler-side piping (except Gas) continuedC

Table of Contents

Related product manuals