EasyManua.ls Logo

Weil-McLain PLUS LINE PLUS-E017-A/1206 - Primary;Secondary Piping - Figure 21

Weil-McLain PLUS LINE PLUS-E017-A/1206
68 pages
Print Icon
To Next Page IconTo Next Page
To Next Page IconTo Next Page
To Previous Page IconTo Previous Page
To Previous Page IconTo Previous Page
Loading...
Part Number PLUS-E017-A/1206
37
Manual Installation Start-Up Usage Maintenance Parts
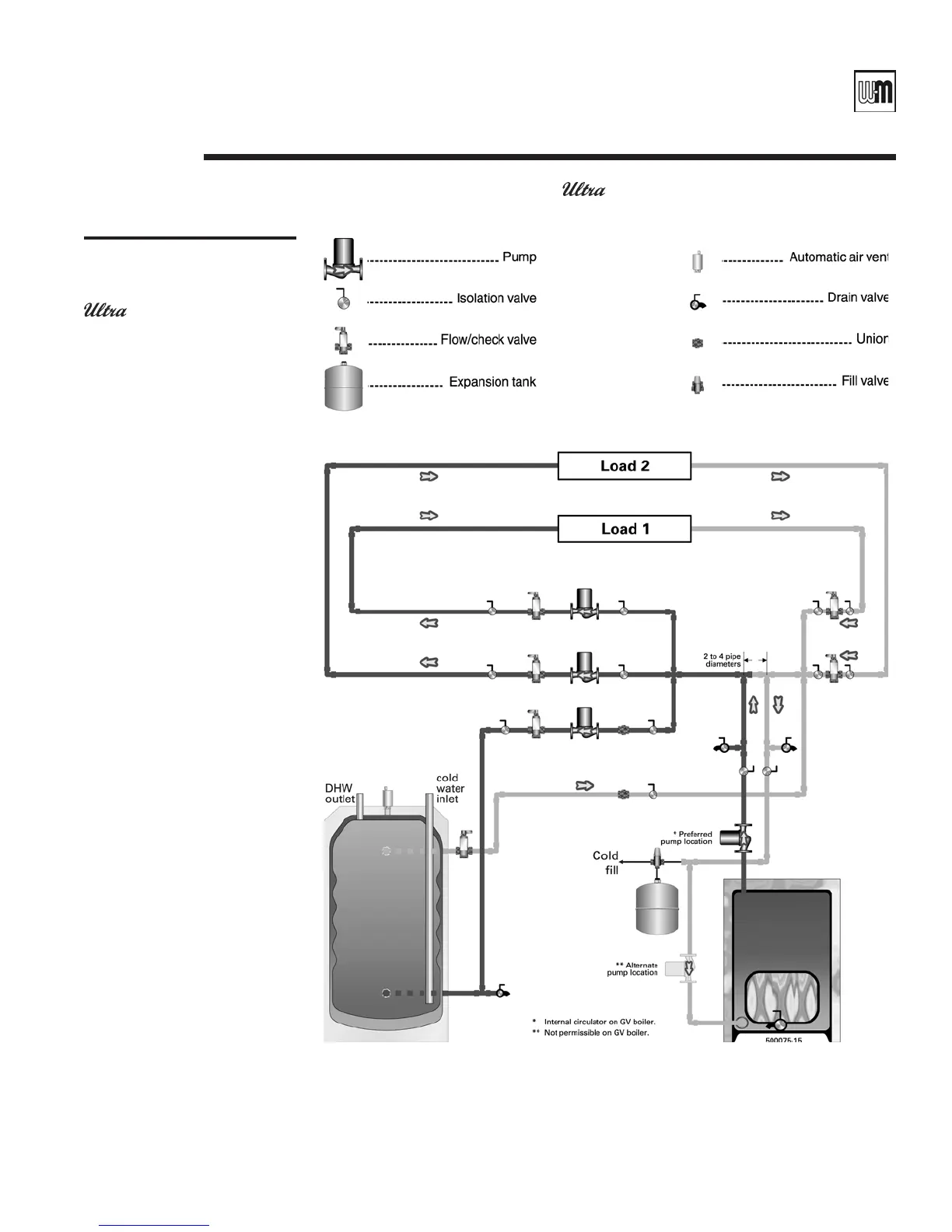
Figure 21
GOLD Plus 30/40/60/80
Plus 40/60/80
Zoning with pumps
Primary/secondary piping
Place pumps at beginnings of
zones. Placing them at the ends
of zones could result in heating
idle zones.
Size primary circuit manifold for
total flow of all zone pumps, with
pressure drop of no more than 1
foot W.C.
Locate flow/check val ves
as close as possible to water
heater boiler side connections
to reduce heat loss between
cycles.
Wiring options:
Figure 30, page 48 — WMCR
zone controller, optional priority
Figure 31, page 49 — Priority
zone pump
Figure 32, page 50 — Pump
relays with domestic priority
Figure 33, page 51 — Pump
relays without domestic priority
1. This drawing is conceptual only. It shows representative piping components and layout.
Weil-McLain does not represent that this drawing meets any particular mechanical or
building codes. The installer is responsible for inclusion of all required safety devices, or
other miscellaneous piping hardware not shown on drawing. The installer is responsible
for proper sizing/selection of all hardware shown on this diagram.
2. See Weil-McLain installation instructions for specific details on installing the boiler.
Notes
C Boiler-side piping (except Gas) continued

Table of Contents

Related product manuals