EasyManua.ls Logo

Weil-McLain PLUS LINE PLUS-E017-A/1206 - Applications; Figure 25

Weil-McLain PLUS LINE PLUS-E017-A/1206
68 pages
Print Icon
To Next Page IconTo Next Page
To Next Page IconTo Next Page
To Previous Page IconTo Previous Page
To Previous Page IconTo Previous Page
Loading...
Part Number PLUS-E017-A/1206
41
Manual Installation Start-Up Usage Maintenance Parts
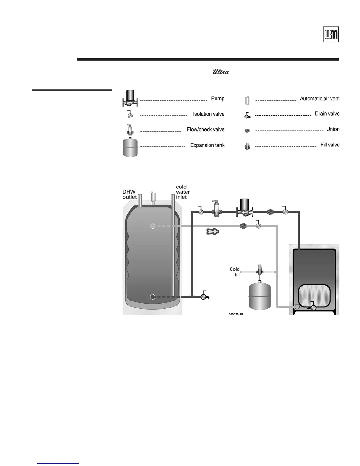
Figure 25
Dedicated single boiler with
single water heater
In commercial application
(typically PLUS 100/110/119).
Locate flow/check valve as close
as possible to water heater boiler
side connections to reduce
heat loss between cycles.
1. These drawings are conceptual only. They show representative piping components and
layout. Weil-McLain does not represent that the drawings meet any particular mechanical
or building codes. The installer is responsible for inclusion of all required safety devices, or
other miscellaneous piping hardware not shown on drawings. The installer is responsible
for proper sizing/selection of all hardware shown on this diagram.
2. See Weil-McLain installation instructions for specific details on installing the boiler.
3. Recommended piping for GOLD Plus 30/40/60/80 water heaters used in commercial
applications.
Notes
C Boiler-side piping (except Gas) continued

Table of Contents

Related product manuals