EasyManua.ls Logo

Weil-McLain PLUS LINE PLUS-E017-A/1206 - Plus 40;60;80

Weil-McLain PLUS LINE PLUS-E017-A/1206
68 pages
Print Icon
To Next Page IconTo Next Page
To Next Page IconTo Next Page
To Previous Page IconTo Previous Page
To Previous Page IconTo Previous Page
Loading...
Part Number PLUS-E017-A/1206
55
Manual Installation Start-Up Usage Maintenance Parts
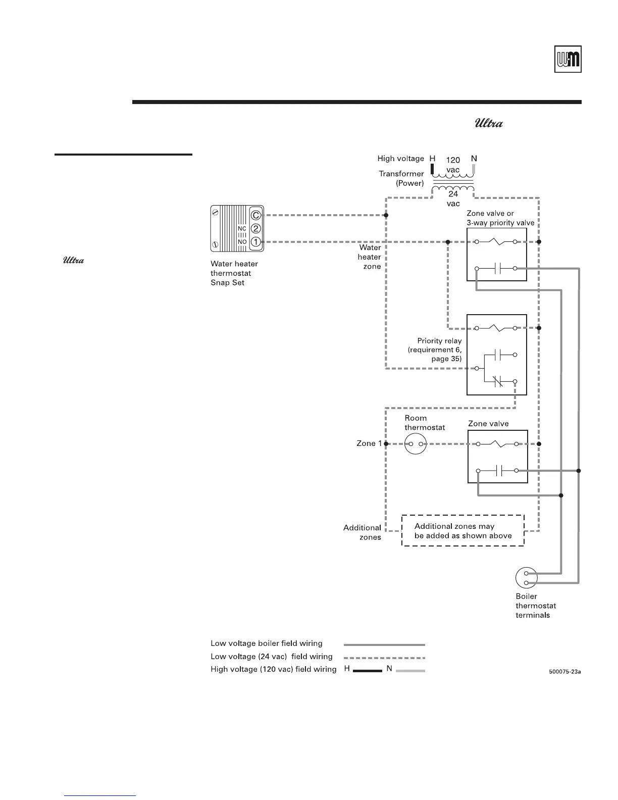
1. These drawings are conceptual only. They show representative piping components and
layout. Weil-McLain does not represent that the drawings meet any particular mechanical
or building codes. The installer is responsible for inclusion of all required safety devices, or
other miscellaneous piping hardware not shown on drawings. The installer is responsible
for proper sizing/selection of all hardware shown on this diagram.
2. Follow component manufacturer’s instructions for installation of all items shown.
3. See Weil-McLain installation instructions for specific details on installing the boiler.
Notes
Figure 37
Typical wiring:
Zoning with 4-wire zone
valves
With OR without domestic
priority
GOLD Plus 30/40/60/80 or
Plus 40/60/80
Also refer to Weil-McLain
Boiler Zone Wiring Guide for
further details.
Refer to Wiring requirements on
page 47.
System piping
Apply this wiring to systems
in:
Figure 23, page 39 (using 3-way
priority valve or NO priority using
2-way water heater zone valve
and no priority valve)
D Boiler-side wiring & controls (except Gas) continued

Table of Contents

Related product manuals