EasyManua.ls Logo

Weil-McLain PLUS LINE PLUS-E017-A/1206 - Page 43

Weil-McLain PLUS LINE PLUS-E017-A/1206
68 pages
Print Icon
To Next Page IconTo Next Page
To Next Page IconTo Next Page
To Previous Page IconTo Previous Page
To Previous Page IconTo Previous Page
Loading...
Part Number PLUS-E017-A/1206
43
Manual Installation Start-Up Usage Maintenance Parts
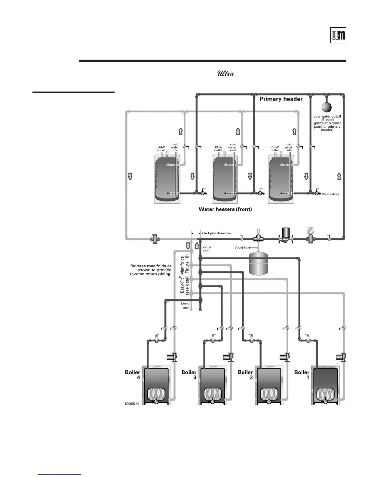
Figure 28
Multiple water heaters and
dedicated multiple boilers
boiler water piping
(see legend and details in Figure 26,
page 42)
1. This drawing is conceptual only. It shows representative piping components and layout. Weil-McLain
does not represent that this drawing meets any particular mechanical or building codes. The installer
is responsible for inclusion of all required safety devices, or other miscellaneous piping hardware not
shown on drawing. The installer is responsible for proper sizing/selection of all hardware shown on
this diagram.
2. See Weil-McLain installation instructions for specific details on installing the boiler.
Notes
C Boiler-side piping (except Gas) continued

Table of Contents

Related product manuals