EasyManua.ls Logo

Weil-McLain PLUS LINE PLUS-E017-A/1206 - Page 45

Weil-McLain PLUS LINE PLUS-E017-A/1206
68 pages
Print Icon
To Next Page IconTo Next Page
To Next Page IconTo Next Page
To Previous Page IconTo Previous Page
To Previous Page IconTo Previous Page
Loading...
Part Number PLUS-E017-A/1206
45
Manual Installation Start-Up Usage Maintenance Parts
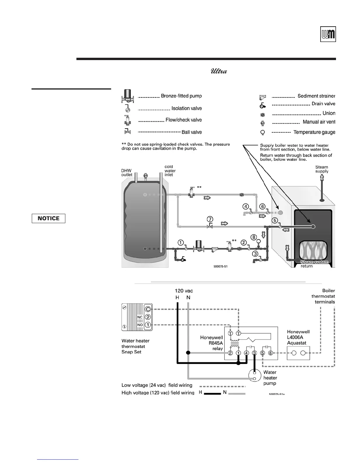
Figure 29
Steam boiler application
Domestic water heating using
water pumped from steam boiler
Locate flow/check valve as
close as possible to water
heater boiler side connections
— to reduce heat loss between
cycles.
1. These drawings are conceptual only. They show representative piping components and
layout. Weil-McLain does not represent that the drawings meet any particular mechanical
or building codes. The installer is responsible for inclusion of all required safety devices, or
other miscellaneous piping hardware not shown on drawings. The installer is responsible
for proper sizing/selection of all hardware shown on this diagram.
2. See Weil-McLain installation instructions for specific details on installing the boiler.
Notes
C Boiler-side piping (except Gas) continued
Use ball valve 7 to blend some of
the water returning to the boiler
with the hot water coming from the
boiler. This will reduce the possibil-
ity of flashing (cavitation) in the
circulator. Slowly open valve 7 until
temperature gauge 8 reads 200°F.
Lock or remove the handle from
valve 7 after adjusting.

Table of Contents

Related product manuals