EasyManua.ls Logo

Welbilt MERRYCHEF eikon e2s - Page 107

Welbilt MERRYCHEF eikon e2s
111 pages
Print Icon
To Next Page IconTo Next Page
To Next Page IconTo Next Page
To Previous Page IconTo Previous Page
To Previous Page IconTo Previous Page
Loading...
Merrychef eikon
®
e2s service and repair manual
_______________________________________________________________________________________________________________________________
_______________________________________________________________________________________________________________________________
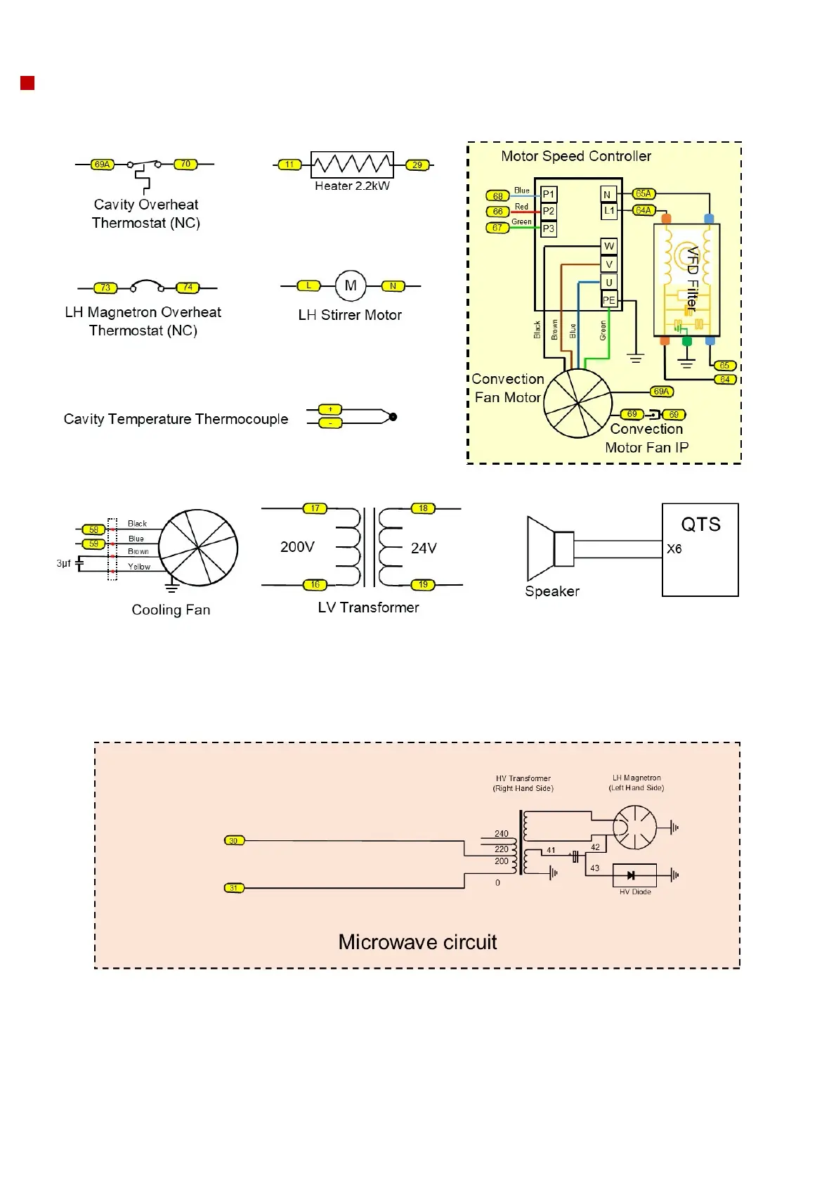
7 Circuit boards and diagrams
Back to contents >
e2s wiring diagram 200V JP Model continued

Table of Contents

Other manuals for Welbilt MERRYCHEF eikon e2s

Related product manuals