EasyManua.ls Logo

WEST 8800 - Page 10

WEST 8800
88 pages
Print Icon
To Next Page IconTo Next Page
To Next Page IconTo Next Page
To Previous Page IconTo Previous Page
To Previous Page IconTo Previous Page
Loading...
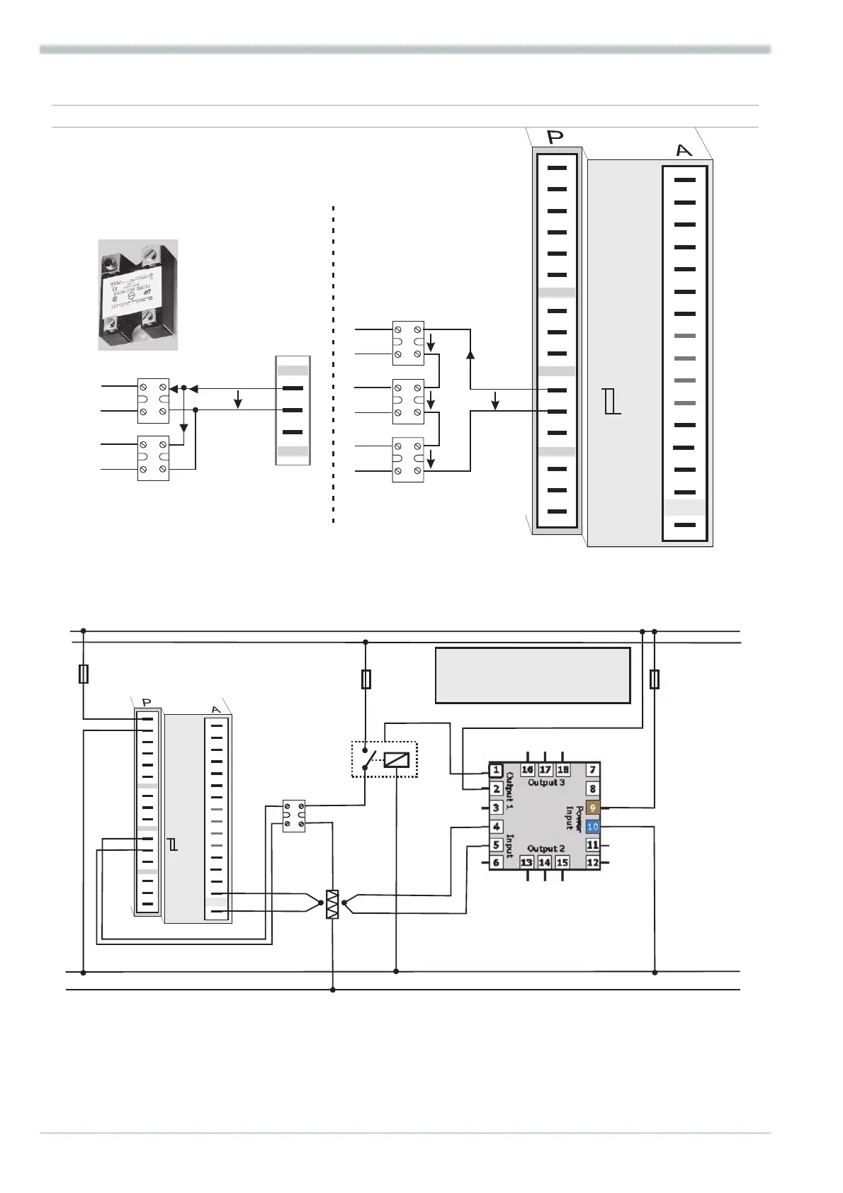
8800 process controller connecting example:
a
CAUTION: Using a Limit controller is recommendable in systems
where overtemperature implies a fire hazard or other risks.
Electrical connections
Terminal connection 10 8800 process controller
12
+
_
SSR
+
_
SSR
+
_
SSR
Series connection
Parallel connection
+
_
SSR
+
_
SSR
4V
4V
4V
12V
I =22mA
max
I =22mA
max
12V
11
10
10
11
12
Logic
3 OUT3 as logic output with solid-state relay (series and parallel connection)
+
_
L1
L2
N1
N2
fuse
fuse
fuse
SSR
contactor
heating
+
3
4
5
6
7
8
9
11
13
14
15
1
2
3
4
5
6
7
8
9
10
11
12
13
14
17
(16)
15
2
1
12
10
Logic
8840 profiler
1
N6700Z21
6700 Limit controller
Standard version:
00
other versions on requestr
6700
Limit
controller
1

Table of Contents