EasyManua.ls Logo

WEST 8800 - Page 8

WEST 8800
88 pages
Print Icon
To Next Page IconTo Next Page
To Next Page IconTo Next Page
To Previous Page IconTo Previous Page
To Previous Page IconTo Previous Page
Loading...
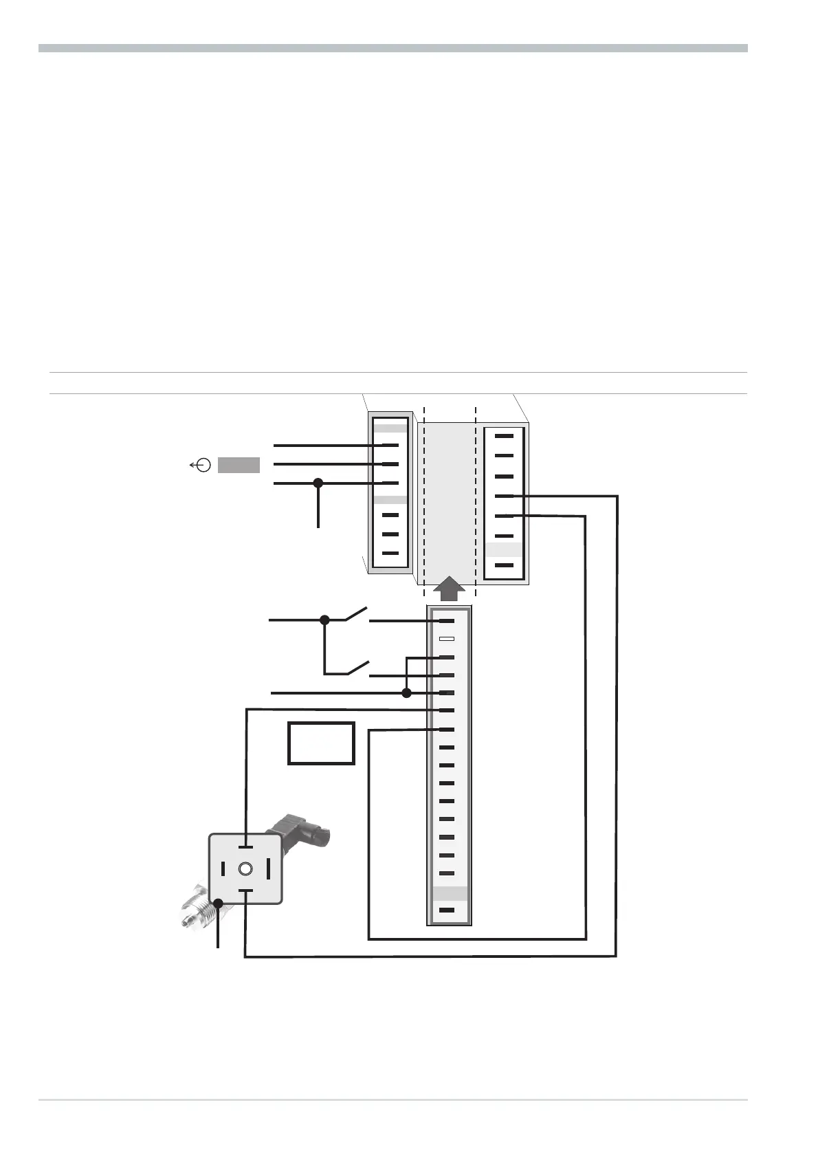
Connection of inputs di2/3 8 (option)
Digital inputs (24VDC external), galvanically isolated, configurable as switch or
push-button
Connection of output U
T
9 (option)
Supply voltage connection for external energization
Connection of outputs OUT5/6 0 (option)
Digital outputs (opto-coupler), galvanic isolated, common positive control
voltage, output rating: 18...32VDC
Connection of bus interface ! (option)
PROFIBUS DP or RS422/485 interface with Modbus RTU protocol
g
If the universal output OUT3 or OUT4 is used there may be no external galvanic
connection between measuring and output circuits!
Electrical connections
Terminal connection 8 8800 process controller
13
14
15
Option
17
(16)
1
3
4
5
6
7
8
9
10
11
12
13
14
15
17
(2)
(16)
+24VDC
5mA
5mA
0V
1
2
3
K
+
-
+
-
17,5V
22mA
14
13
+
-
15
OUT3
10
11
12
J
J
89 di2/3, 2-wire transmitter supply

Table of Contents

Related product manuals