EasyManua.ls Logo

Whirlpool 465 - Gas Range Strip Circuits

Whirlpool 465
32 pages
Print Icon
To Next Page IconTo Next Page
To Next Page IconTo Next Page
To Previous Page IconTo Previous Page
To Previous Page IconTo Previous Page
Loading...
- 21 -
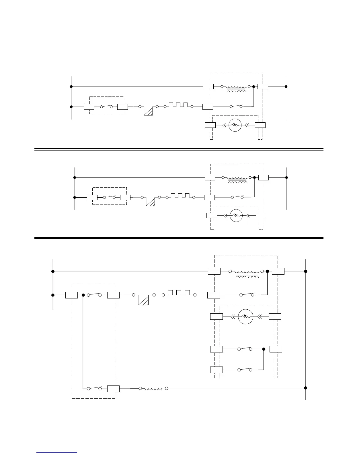
GAS RANGE STRIP CIRCUITS
K.E.T., EZ-100 & EZ-150 Controls
L1 N
WBK
BK
R
W
VV
OVEN CONTROL
OVEN CONTROL
TRANSFORMER
SENSOR
BAKE RELAY
BAKE VALVE
BAKE IGNITOR
BROIL RELAY
P3-4P3-1
P1-6 P1-7
P5 P2-1
P2-4
SELF-CLEAN CIRCUIT
L1 N
WBK
BK
BU
BR
BU GY
GYY
W
W
VV
OVEN CONTROL
OVEN CONTROL
TRANSFORMER
SENSOR
BAKE RELAY
BAKE VALVE
BAKE IGNITOR
BROIL RELAY
LATCH RELAY*
P3-4
P4
P3-1
P1-6
(N.O.)
DOOR
SWITCH
DOOR LATCH
SWITCH
LATCH
SOLENOID
P1-5P1-1
P1-3
P1-7
* PULSE 1 SECOND
P5 P2-1
P2-4
L1 N
WBK
BK
BU
W
VV
OVEN CONTROL
OVEN CONTROL
TRANSFORMER
SENSOR
BAKE RELAY
BROIL VALVE
BROIL IGNITOR
BROIL RELAY
P3-2P3-1
P1-6 P1-7
P5 P2-1
P2-2
BROIL CIRCUIT
BAKE CIRCUIT

Related product manuals