EasyManua.ls Logo

Whirlpool 465 - Electric Range Wiring Diagram

Whirlpool 465
32 pages
Print Icon
To Next Page IconTo Next Page
To Next Page IconTo Next Page
To Previous Page IconTo Previous Page
To Previous Page IconTo Previous Page
Loading...
- 25 -
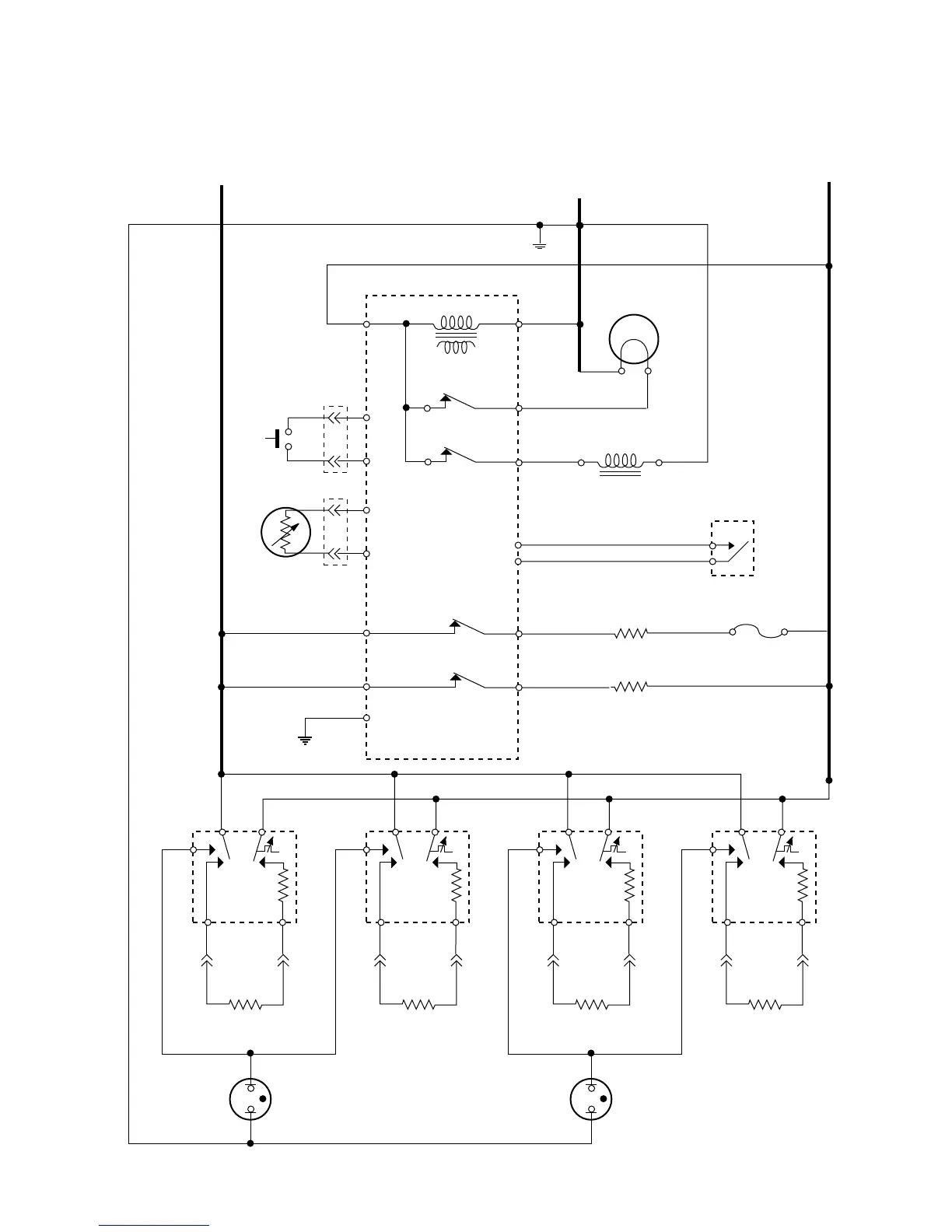
ELECTRIC RANGE WIRING DIAGRAM
EZ-200 & EZ-300 Oven Controls
L1
L2
N
BK
BK
BK
V
Y
Y
V
BU
BU BU
BU-W
R
R
W
R
R
BR
W
W
W
W
BK
BK
G
L1
P
H1
OR OR
H2
L2
GND
OVEN CONTROL
LF
TRANSFORMER
P3-3
P4-3 P4-1
P4-4
P4-5
P3-4
P3-6
P3-7
P2-2
P2-3
OR P6
P3-5
P2-1
P2-4
LATCH SOLENOID
RELAY
DOOR LOCK
SOLENOID
BROIL ELEMENT
BAKE ELEMENT
SURFACE
INDICATOR
LIGHT
SURFACE
INDICATOR
LIGHT
OVEN LIGHT
GND
OVEN LIGHT
RELAY
BAKE RELAY
BROIL RELAY
BU
BU
P3-1
P3-2
DOOR
LATCH SW.
DOOR
SW.
OVEN TEMP
SENSOR
N.O.
COM
2600 W
22
L1
P
H1
YY
H2
L2
LR
1500 W
38
L1
P
H1
BR BR
H2
L2
RF
1500 W
38
L1
P
H1
BU BU
H2
L2
RR
2600 W
22
3400W
2400W
R
R
R
THERMAL FUSE
OPENS @
184˚C

Related product manuals