EasyManua.ls Logo

Winget 4B2000 - Page 140

Winget 4B2000
282 pages
Print Icon
To Next Page IconTo Next Page
To Next Page IconTo Next Page
To Previous Page IconTo Previous Page
To Previous Page IconTo Previous Page
Loading...
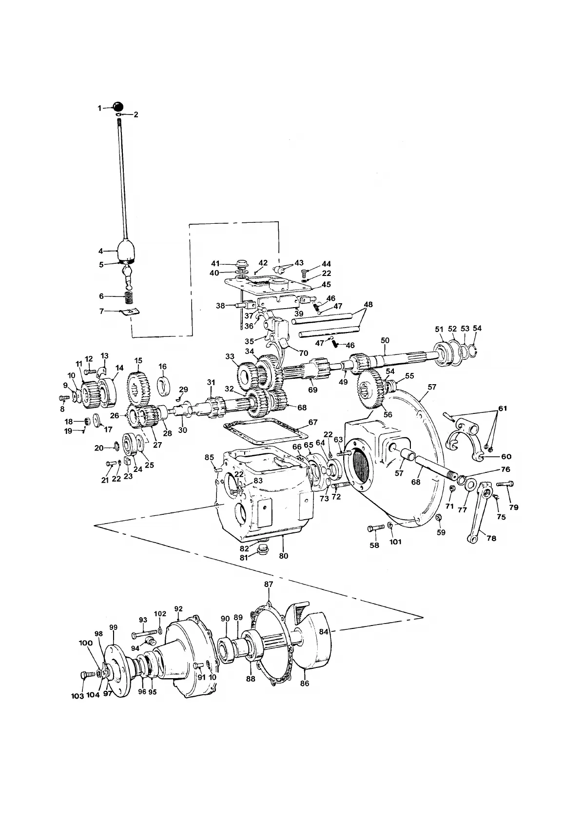
C - 2 4B2000 Dumper
Picture pasted onto microfiche copy

Related product manuals